Section 1.2
Cylinder Head
The Series 50 Engines cylinder head combines intake and exhaust valve porting and fuel injector seats with water jacketing to cool the ports, injectors and combustion chamber area. See Figure "Cylinder Head Assembly and Mating Components" .

Figure 1. Cylinder Head Assembly and Mating Components
With the overhead camshaft design, the cylinder head assembly includes:
- Cylinder head
- Valve and injector operating mechanism
- Injector, valve guide and related parts
- Camshaft and camshaft bearings
The nested roller follower type rocker arms transmit cam motion directly to the valves and injectors. See Figure "Cylinder Head Assembly" .

|
1. Roller Follower |
4. Exhaust Valve Rocker Arm |
|
2. Injectors |
5. Camshaft |
|
3. Intake Valve Rocker Arm |
|
Figure 2. Cylinder Head Assembly
The nested roller follower type rocker arms transmit cam motion directly to the valves. See Figure "Cylinder Head Assembly (Series 50G)" .

|
1. Roller Follower |
3. Exhaust Valve Rocker Arm |
|
2. Intake Valve Rocker Arm |
4. Camshaft |
Figure 3. Cylinder Head Assembly (Series 50G)
The porting within the cylinder head is cross-flow, with intake and exhaust ports on opposite sides for minimum restriction and maximum exposure to coolant flow. Four valves are used per cylinder, two intake and two exhaust. See Figure "Intake and Exhaust Valve Porting" .

Figure 4. Intake and Exhaust Valve Porting
Replaceable valve guides, valve spring seats, valve stem seals, valve rotators and valve seat insert are used on all valves. See Figure "Valve, Valve Guides and Related Parts" .

|
1. Valve Guide |
5. Valve Stem Oil Seal |
|
2. Valve Spring Seat |
6. Valve Spring |
|
3. Valve Seat Insert |
7. Valve Rotator |
|
4. Valve |
8. Valve Keepers |
Figure 5. Valve, Valve Guides and Related Parts
Copper injector tubes (not required on natural gas engines) extending through the cylinder head water jacket are required for the fuel injectors. The tubes are directly exposed to the coolant. An O-ring seals the injector tube upper end in the recess. The lower end of the injector tube must be expanded and flared during the installation process to contain a tight fit in the firedeck bore. A beveled seat machined in the tube provides a compression-tight seal when the injector is seated, as well as affording effective heat transfer facilitating injector cooling. Refer to "2.4 Fuel Injector Tube and O-Ring" .
Fuel galleries machined into the head supply fuel under fuel pump pressure to all injectors, and excess fuel is returned to the fuel tank. The fuel gallery outlet (restricted) fitting is installed in the rear of the cylinder head. See Figure "Fuel Gallery Inlet and Outlet Fittings" .

Figure 6. Fuel Gallery Inlet and Outlet Fittings
Section 1.2.1
Repair or Replacement of Cylinder Head
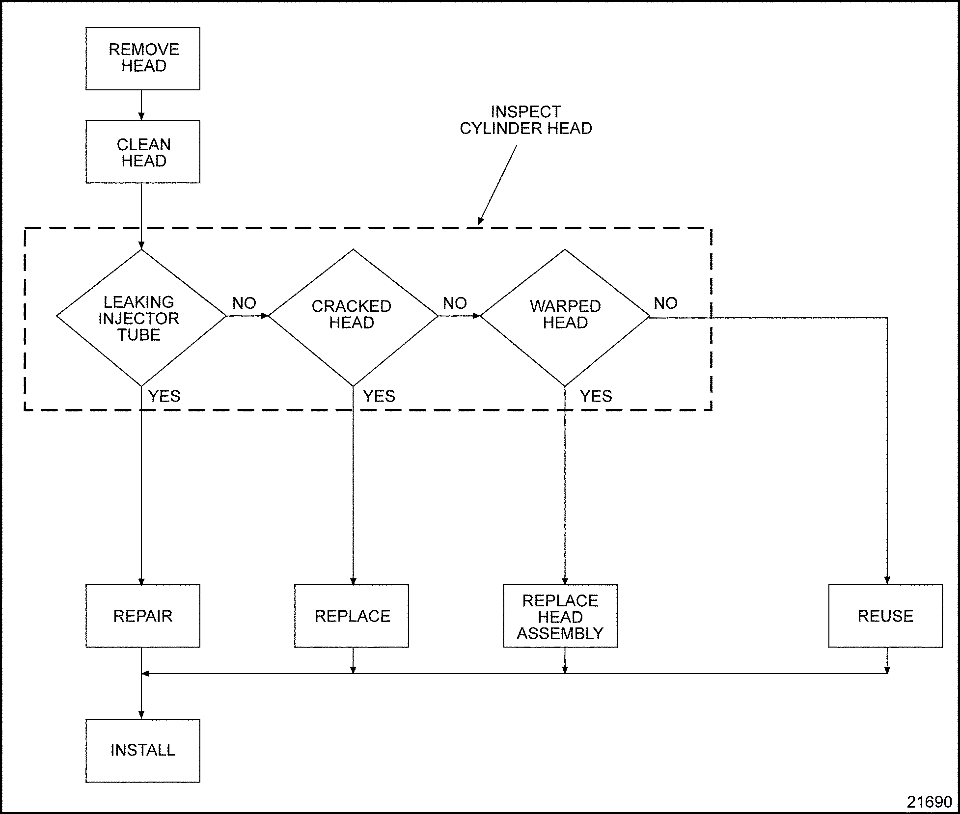
To determine if repair is possible or replacement is necessary perform the following procedure. See Figure "Flowchart for Repair or Replacement of Cylinder Head" .

Figure 7. Flowchart for Repair or Replacement of Cylinder Head
Section 1.2.2
Removal and Cleaning of Cylinder Head
Because optional and accessory equipment varies with the engine application, this procedure covers only the basic engine. If the engine is equipped with accessories that affect cylinder head removal, note the mounting details of each to assure correct installation at reassembly.
Remove the cylinder head as follows:
|
PERSONAL INJURY |
|
To avoid injury from accidental engine startup while servicing the engine, disconnect/disable the starting system. |
- With the engine at ambient temperature and cool to the touch, drain the cooling system. Refer to "13.5.4 Cooling System" .
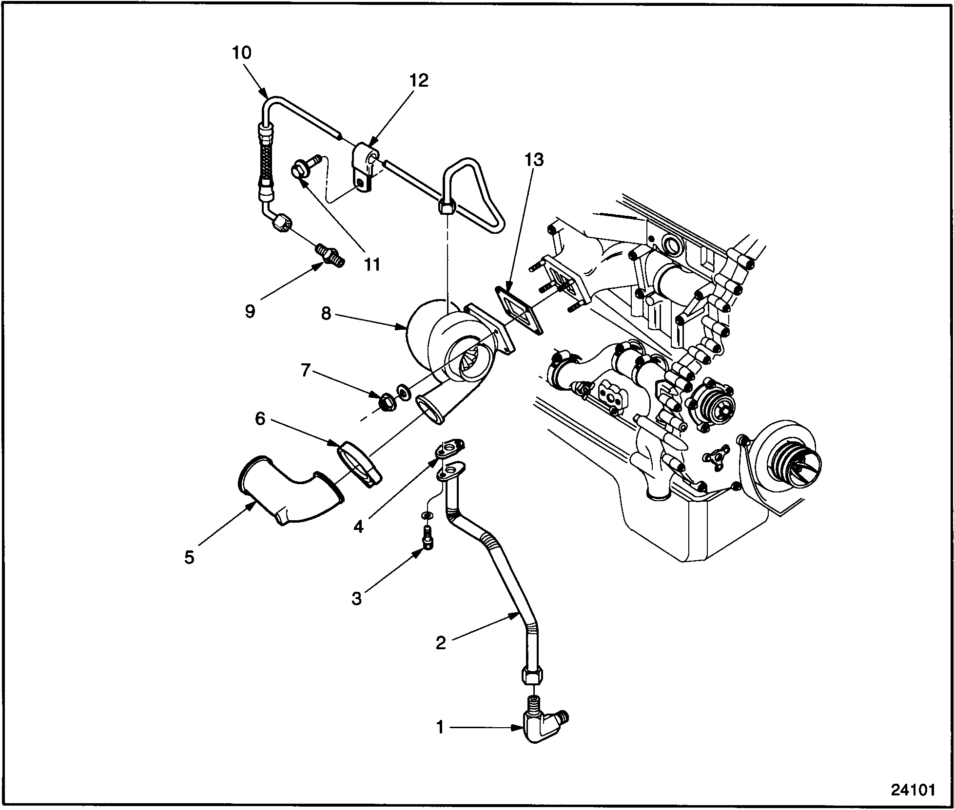
- Disconnect the exhaust pipe at the turbocharger. See Figure "Turbocharger Oil Lines" .
- Remove the air cleaner and charge air cooler ducting from turbocharger and intake manifold. Refer to "6.2.2 Cleaning and Removal of Air Cleaner" and refer to "6.7 Charge Air Cooler" .
- Disconnect the turbocharger oil supply and drain lines, and remove the turbocharger if necessary. See Figure
"Turbocharger Oil Lines"
.

1. Elbow, Oil Drain Tube
8. Turbocharger Assembly
2. Tube, Turbo Oil Drain
9. Connector, Oil Supply Tube (from oil filter adaptor)
3. Bolt, Oil Drain Tube Mounting
10. Tube Assembly, Turbo Oil Supply
4. Gasket, Turbo Oil Drain Tube
11. Bolt, Oil Supply Tube Clip
5. Elbow (Coach Models only)
12. Clip, Oil Supply Tube
6. Clamp (Coach Models only)
13. Gasket, Turbo Exhaust Inlet
7. Nut, Turbo Mounting
Figure 8. Turbocharger Oil Lines
- Seal the turbocharger compressor inlet and discharge with covers or masking tape. Plug the oil supply fitting in the turbocharger housing.
- Remove the exhaust manifold if necessary. Refer to "7.2.2 Cleaning and Removal of the Exhaust System"
. See Figure
"Exhaust Manifold"
.

1. Nut
5. Gaskets
2. Heat Shield
6. Cylinder Head
3. Sleeves
7. Bolt
4. Exhaust Manifold
Figure 9. Exhaust Manifold
Note: Exhaust manifolds on natural gas engines are thermal wrapped for efficiency. See Figure "Exhaust Manifold (Series 50G)" .

1. Nut
4. Gaskets
2. Sleeves
5. Cylinder Head
3. Exhaust Manifold (Thermo Wrapped)
6. Bolt
Figure 10. Exhaust Manifold (Series 50G)
- Inspect the exhaust manifold. Refer to "7.2.2.1 Inspection of the Exhaust Manifold" .
- Remove and inspect the intake manifold. See Figure
"Intake Manifold and Related Parts"
.

1. Intake Manifold
6. Air Temperature Sensor (DDEC III only)
2. Air Inlet
7. Manifold Bolt (7)
3 Intake Manifold Gasket (2)
8. Turbo Boost Pressure Sensor Bolt (2)
4. Cylinder Head
9. Turbo Boost Pressure Sensor
5. Short Bolt (2)
10. O-ring
Figure 11. Intake Manifold and Related Parts
- Open the drain cock in the bottom of the thermostat housing to allow the coolant in the housing to drain.
- Disconnect radiator, bypass pipe and hose clamps, and remove the thermostat housing.Refer to "4.3.2 Draining and Removal of Thermostat"
and see Figure
"Thermostat Housing Removal"
.

1. Vent
6. Thermostat Housing Cover
2. Thermostat Housing-to-Cylinder Head Bolts (4)
7. Drain Cock
3. Hose Clamps (2)
8. Thermostat Housing Seals (2)
4. Coolant Hose
9. Thermostat (2)
5. Bypass Tube
10. Cylinder Head
Figure 12. Thermostat Housing Removal
- Remove the valve rocker cover. Refer to "1.6.2 Cleaning and Removing of Two-piece Rocker Cover-Diesel Engines Only" .
- Disassemble the valve rocker cover. Refer to "1.6.3 Disassembly of Two-piece Rocker Cover-Diesel Engines Only" .
- Inspect the valve rocker cover. Refer to "1.6.3.1 Inspection of Two-piece Rocker Cover-Diesel Engines Only" .
- Remove Jacob's Brakes, if equipped. Refer to "1.30.2 Removal of Jake Brake"
.
Note: Using the camshaft gear pilot tool, J 35906 , pull the camshaft gear and thrust plate forward in the gear case until there is approximately a 6.35 mm (1/4 in.) gap between the cylinder head and the diamond-shaped camshaft thrust plate seal when removing the cylinder head. See Figure "Camshaft Thrust Plate" .

Figure 13. Camshaft Thrust Plate
- Remove the rocker arm assemblies. Refer to "1.3.2 Removal of Rocker Arm Assembly" .
- Inspect the rocker arm assemblies and camshaft lobes. Refer to "1.3.3.1 Inspection of Rocker Arm Assemblies and Camshaft Lobes" .
- Remove the camshaft. Refer to "1.22.2 Removal of Camshaft and Camshaft Bearing"
.
Note: Fuel must be removed from the cylinder head fuel galleries prior to removing the injectors.
- Disconnect the fuel inlet and outlet lines at the rear of the cylinder head. See Figure
"Removing Fuel from Cylinder Head Internal Passages"
.

Figure 14. Removing Fuel from Cylinder Head Internal Passages

EYE INJURY
To avoid injury from flying debris when using compressed air, wear adequate eye protection (face shield or safety goggles) and do not exceed 276 kPa (40 psi) air pressure.
- Blow low pressure compressed air into the inlet fitting for 20 to 30 seconds or until all of the fuel is purged from the cylinder head.
- Disconnect the injector wire harness at each injector. Refer to "2.3.2 Removal of Unit Injector" .
- Remove the harness mounting flange from the rear of the cylinder head and carefully remove the harness from the head by pulling the harness through the hole in the cylinder head. See Figure
"Fuel Gallery Inlet and Outlet Fittings"
.
NOTICE:
To avoid possible damage to the injector spray tips, remove the injectors before lifting the head from the block. If the injectors are not removed, handle the head carefully when it is off the block and support the head firedeck on wooden blocks.
- Remove the fuel injectors. Refer to "2.3.2 Removal of Unit Injector" .
- Remove the gear case stabilizer bracket at the right front corner of the head.
- Remove the head bolts and install the cylinder head lift bracket, J 35641-A
, using the bolt hole at the inboard center, No. 3 cam cap and two tapped Jacob's Brake bolt holes. See Figure
"Cylinder Head Lift Bracket Installation"
.

Figure 15. Cylinder Head Lift Bracket Installation
- Attach a suitable lifting hook to the eyelet in the lift bracket, and lift the cylinder head off the engine. See Figure
"Cylinder Head Removal"
.

Figure 16. Cylinder Head Removal
- Drain the engine lubricating oil to remove any coolant that may have drained into the oil pan when the water jacket was opened. Remove any coolant from the cylinder bores.
Clean the cylinder head as follows:
- Keep parts segregated according to original position to assure proper reassembly, if parts are to be reused.
- Remove all threaded plugs.
- Steam clean the cylinder head once it has been stripped.
- If coolant passages are heavily coated with scale, remove the injector tubes and cup plugs and clean the head in a descaling bath, as described under "Removal of Engine from the Vehicle and Disassembly". Refer to "1.1.2 Removal of Engine from the Vehicle and Disassembly"
.

EYE INJURY
To avoid injury from flying debris when using compressed air, wear adequate eye protection (face shield or safety goggles) and do not exceed 276 kPa (40 psi) air pressure.
- Clean the camshaft and camshaft bearings, valves, springs, valve rotators and rocker arm shafts in fuel oil and blow dry with compressed air.
- Refer to "1.3.2 Removal of Rocker Arm Assembly" for cleaning of rocker arm and roller follower assemblies.
Section 1.2.3
Inspection of Cylinder Head
The following steps must be performed before inspecting the cylinder head:
- Replace the plugs removed for cleaning. If the old plugs are reused, coat the plugs with Loctite; pipe sealant, J 26558-92 part of PT-7276
: with Teflon; or equivalent.
Note: If both front fuel galley plugs have been removed, it will be necessary to replace both plugs.
- If injector tubes have been removed, install new injector tubes. Refer to "2.4.5 Installation of Injector Tube and O-Ring" .
- Install new cup plugs using a good grade non-hardening sealant such as Loctite 620 or equivalent.
Perform the following tests for cylinder head inspection.
- Pressure test, refer to "1.2.3.1 Pressure Test"
- Firedeck straightness test, refer to "1.2.3.2 Inspection and Rework for Firedeck Straightness"
Section 1.2.3.1
Pressure Test
Perform the following steps to pressure test the cylinder head:
- Install the test strips (part of cylinder block pressure test kit) to the firedeck on the cylinder head. See Figure
"Cylinder Head Pressure Test Equipment Installation"
.

Figure 17. Cylinder Head Pressure Test Equipment Installation
- Insert the cylinder head bolts through the cylinder head and test strips. Attach and torque the nuts (supplied in J 36223-D ) to 14 N·m (10 lb·ft).
- Install the thermostat opening cover plate, J 35984-2
and gasket to the cylinder head using the bolts provided with the cover plate. See Figure
"Thermostat Opening Cover Plate Installation"
.

Figure 18. Thermostat Opening Cover Plate Installation
- Install dummy fuel injectors, J 35984-1
, to the injector bores to assure proper seating of the fuel injector tubes. See Figure
"Test Injector Installation"
.

Figure 19. Test Injector Installation
- Install the fuel injector crabs and hold-down bolts. Torque the bolts to 58-66 N ·m (43-49 lb·ft).
- Attach an air hose to the fitting on the thermostat opening cover plate.
- Apply 207 kPa (30 lb/in.2 ) air pressure to the cylinder head and immerse the head in a water bath heated to 82-93°C (180-200°F).
- Leave the head in the bath for at least 20 minutes to heat thoroughly, while watching for bubbles indicating a crack or leak. Injector tube leaks can be stopped by replacing tubes.
- If an injector tube leaks, replace tube(s). Refer to "2.4.2 Removal of the Injector Tube and O-Ring" for removal and refer to "2.4.5 Installation of Injector Tube and O-Ring" for replacement.
- If a cracked head is detected, replace the head. Refer to "1.2.1 Repair or Replacement of Cylinder Head" .
Section 1.2.3.2
Inspection and Rework for Firedeck Straightness
The large mass and length of the head casting may contain longitudinal warp after it is unbolted and removed from the engine block. At the time of factory manufacture, the longitudinal warp is normalized by fixturing and clamping the casting during machining. The casting is fixtured and clamped from its locating surfaces (datums). When unclamped, the head casting resumes its original shaped until it is bolted and tightened to the engine block.
Inspect the bottom (firedeck) of the cylinder head for straightness as follows:
- Use a heavy, accurate straight-edge and feeler gages to check for transverse and longitudinal warpage. See Figure
"Checking Firedeck Straightness"
.

Figure 20. Checking Firedeck Straightness
- Also, check for longitudinal warpage in five places and transverse warpage in 8 places, indicated as A through H in the next illustration. See Figure
"Cylinder Head Measurement Locations"
.

Figure 21. Cylinder Head Measurement Locations
- The natural warp contained in the casting must be considered when inspecting firedeck straightness with the head unbolted and unclamped. Natural warpage is not a cause for correction. The firedeck (unclamped) must be straight within 0.120 mm (0.005 in.) front-to-rear and 0.076 mm (0.003 in.) side-to-side.
- If the cylinder head flatness is outside of the specifications, Detroit Diesel Corporation does not recommend firedeck resurfacing.
Section 1.2.3.3
Head Bolt Counterbore Inspection and Rework
To assure clean and non-brinnelled cylinder head bolt counterbores, use tool J 38189 to resurface the head bolt washer area.
The procedure and steps for proper use of the tool are as follows:
NOTICE: |
|
There must be no space between the bottom of the cylinder head and the table top to properly resurface the counterbores. |
- Place the cylinder head on a solid flat surface (preferably a steel table top) that completely covers the bottom of head.
NOTICE:
Proper use of the J 38189 is important. Failure to use J 38189 properly, may result in an incorrect counterbore depth.
- Protect the valve springs and injector counterbore to keep any loose metal shavings from getting into valve springs and counterbore during cutting operation.
- With cylinder head on a flat surface using the 3.17 mm (1/8 in.) hex wrench supplied with tool, loosen the stop collar and cutter to permit sliding on pilot.
- Starting at the front of the cylinder head, place the pilot of the cutter into a cylinder head bolt hole until the pilot contacts the flat surface beneath the cylinder head.
- Allow the cutter to contact the counterbore surface. Lock the stop collar while against the cutter. The cutter now will resurface the counterbore 0.5 mm (0.020 in).
- Remove the tool and place a 0.5 mm (0.020 in.) feeler gage between the cutter and the locked stop collar.
- With feeler gage in place, lock the set screw of the cutter, then remove the feeler gage and loosen the set screw on the stop collar and slide it down tight against the cutter and retighten.
Perform the following steps to resurface the counterbore 0.5 mm (0.020 in.):
- Using a drill motor with a 1/2 in. chuck and a maximum of 450 r/min and a suitable cutting oil to prolong the life of the cutter and to lubricate the pilot turning in bolt hole.
- Apply a moderate pressure on the drill motor, continue cutting operation until pilot bottoms on flat surface and then do not stop drill motor until it is lifted from cutting surface. This is to eliminate surface marks.
Note: The J 38189 tool pilot has a shoulder stop that will not allow the cutter to remove material in excess of the Detroit Diesel Corporation specifications.
- If some of the bolt holes do not clean up completely, continue resurfacing remaining holes, repeating the operation in 0.5 mm (0.005 in.) increments. This will clean up any holes that may not have cleaned up completely during the first cut.
- After all counterbores have been resurfaced, remove any loose cutting chips.
- Steam clean the complete cylinder head.
- After steam cleaning, inspect the cylinder head for any remaining chips.
- Reinstall the cylinder head assembly, using 26 of the new ground head bolt washers.
Section 1.2.4
Assembly of Cylinder Head
Perform the following steps for cylinder head assembly:
|
EYE INJURY |
|
To avoid injury from flying debris when using compressed air, wear adequate eye protection (face shield or safety goggles) and do not exceed 276 kPa (40 psi) air pressure. |
NOTICE: |
|
If the cylinder head is to be replaced, the new head must be thoroughly cleaned before installation to remove all rust preventive compound, especially from the fuel and oil galleries. This can be done by immersion in a bath of fuel oil or mineral-spirits-based solvent and scrubbing out all openings with a soft bristle brush. When clean, blow the head dry with compressed air. |
- Install new precoated pipe plugs or coat the used plugs with pipe sealant with Teflon, PT-7271 , or equivalent, and tighten them as listed in Table "Standard Pipe Plug Torque Specifications" which can be found in the "General Information" section at the beginning of the manual.
- Install all of the required cup plugs using a good grade of non-hardening sealant, such as Loctite 620 or equivalent, on the cup plugs. Use cup plug installation tool set, J 35653 .
- Be sure that all cup and pipe plugs on the front face of the cylinder head are flush or below the surface.
- Install valve guides and seats, valves, valve stem seals, valve springs and rotators. Refer to "1.4 Valves, Springs, Guides, Inserts, Seals and Rotators" .
Section 1.2.5
Installation of Cylinder Head
Perform the following steps for cylinder head installation:
- Be sure piston domes and the cylinder head and cylinder block firedeck surfaces are clean and free of foreign matter. Inspect the head bolt holes in both block and head for the presence of oil, water, dirt, or damaged threads, and clean or retap as necessary.
Note: Series 50 Engines built after September 2002 will use a new cylinder head gasket. This gasket will be identified with a new part number and date code. This new gasket must be used with the new cylinder head bolts.
- Position the head gasket on the block and install cylinder head guide studs, J 35784
, at front and rear of the block. See Figure
"Cylinder Head Guide Studs"
.

Figure 22. Cylinder Head Guide Studs
- Lift the head into position with lift bracket, J 35641-A . See Figure "Cylinder Head Removal" . Lower it into place over the guide studs, J 35784 , until it seats on the block deck dowels. See Figure "Cylinder Head Guide Studs" .
- Remove the guide studs.
- Install the head bolts with special hardened washers, lubricating the threads and bolt-head contact areas with a small amount of International Compound #2®, or equivalent.
- Torque the head bolts to 250-285 N·m (185-210 lb·ft) in the following sequence. See Figure
"Cylinder Head Bolt Tightening Sequence"
. As of September 2002 a new cylinder head bolt will be used for all Series 50 engines. The new bolt may or may not be identified with white paint. .This new bolt will be identified with a groove on top of bolt. See Figure
"Bolt Identification For Series 50 Engines Built After September 2002"
. Torque the new head bolts to 298 N·m (220 lb·ft). There is no change to the procedure other than the new torque value. The new head bolt can be used with the former cylinder head gaskets, the former head bolts cannot be used with the new head gasket. Former and new bolts must not be mixed. Refer to table 1–1 for cylinder head torque and reuse information.

Figure 23. Cylinder Head Bolt Tightening Sequence
Cylinder Head Gasket P/N
Cylinder Head Bolt Torque
Use Bolt Type
Reuse Head Bolt
23522589
250-285 N·m (185-210 lb·ft)
New or Old Style
Yes
23531306
298 N·m (220 lb·ft)
New Style
No
Table 17. Bolt Torque and Reuse InformationNOTICE:
The white paint identification for the new head bolts may or may not be applied to the bolt head.

Figure 24. Bolt Identification For Series 50 Engines Built After September 2002
NOTICE:
Failure to repeat the cylinder head bolt torque tightening sequence can result in some head bolts may lose their torque when others are tightened resulting in insufficient clamp load.
- Repeat the torque sequence to verify all of the head bolts are torqued to specification.
Note: If a cylinder head other than the one removed from the engine, or if a resurfaced cylinder head is being installed, the three nuts retaining the adjustable idler gear must be loosened before installing and torquing the camshaft drive gear retaining bolt.
- Visually inspect each injector hole tube to ensure they are clean. Install the fuel injectors. Refer to "2.3.5 Installation of the Electronic Unit Injector"
. Be sure the injector hold-down crabs are clear of the valve and injector springs.
NOTICE:
The hemispherical portion of the injector hold-down crab washers must be installed facing the crab (pointing down) in order to prevent damage to the washers. See Figure "Injector Hold-Down Crab Washer Installation" .

Figure 25. Injector Hold-Down Crab Washer Installation
- Install the clamp bolts with hemispherical washers, torque to 58-66 N·m (43-49 lb·ft).
- Install the camshaft. Refer to "1.22.5 Installation of Camshaft and Camshaft Bearing"
.
NOTICE:
The camshaft drive gear-to-adjustable idler gear lash must be measured/adjusted before the rocker arm shaft assemblies are installed.
- Measure/adjust the camshaft drive gear-to-adjustable idler gear lash. Refer to "1.24 Camshaft Drive Gear" 1.24.
- Install the rocker arm shaft assemblies. Refer to "1.3.4 Installation of Rocker Arm Shaft Assembly" .
- Install Jacob's Brake assemblies (if equipped). Refer to "1.30.5 Installation of the Jake Brake" .
- Feed the injector harness wires through the opening at the rear of the cylinder head. Secure the harness mounting flange to the cylinder head by torque the bolts to 10-15 N·m (7-11 lb·ft).
- Connect the injector harness wires to their respective injectors. Refer to "2.3.5 Installation of the Electronic Unit Injector" .
- Install the gear case stabilizer bracket at the right front corner of the head. Tighten the stabilizer to gear case bolt first and then the two bolts to the head. Torque the three bolts to 58-73 N·m (43-54 lb·ft).
- Install the thermostats and seals to the thermostat housing. Refer to "4.3.4 Installation of Thermostat and Seal" .
- Clean the coolant outlet surfaces of the head and thermostat housing.
- With the thermostats seated in the housing counterbores, install the housing to the cylinder head, torque the housing bolts to 58-73 N·m (43-54 lb·ft). Connect the radiator and bypass hose couplings and vent line.
- Remove all traces of the old gasket from the cylinder head and intake manifold joint surfaces. Install the intake manifold with new gaskets. Refer to "6.3.5 Installation of Intake Manifold"
. See Figure
"Intake Manifold Bolt Tightening Sequence"
.

Figure 26. Intake Manifold Bolt Tightening Sequence
- Clean the intake manifold and turbocharger joint surfaces and install the turbocharger with a new gasket. Refer to "6.5.7 Installation of Turbocharger" .
- Fill and vent the cooling system. Refer to "13.5.4 Cooling System" . Fill the engine lubrication system. Refer to "13.5.1 Lubricating Oil" .
- Connect the exhaust and air-to-air cooler air ducting and install the air cleaner, per OEM guidelines.
- Install any other components that were removed and, if required, fill with the proper fluid, as recommended.

PERSONAL INJURY
Diesel engine exhaust and some of its constituents are known to the State of California to cause cancer, birth defects, and other reproductive harm.
- Always start and operate an engine in a well ventilated area.
- If operating an engine in an enclosed area, vent the exhaust to the outside.
- Do not modify or tamper with the exhaust system or emission control system.
- Start the engine and check for fuel, coolant or oil leaks. Keep the engine running while you check.
| Series 50 Service Manual - 6SE50 |
| Generated on 10-13-2008 |