Section 1.17
Valves
The valves are controlled by tappets, pushrods, and rocker arms. The intake valves are opened and closed by a valve-guided bridge.
Section 1.17.1
Valve Lift Checking
Note: Do this procedure to determine (without removing the camshaft) if the camshaft, or parts of the valve train, have suffered excessive wear. If the camshaft itself is suspect, check the lift on every valve.
Check valve lift as follows:
- Remove the cylinder head cover. Refer to "1.2.1 Cylinder Head Removal" .
- Remove the inspection cover on the flywheel housing and install the engine barring tool J-46392
. Tighten the bolts on the barring device 25 N·m (18 lb·ft).
Note: Check cylinders one at a time.
- Select the first cylinder. Using the engine barring tool, turn the flywheel until the piston in that cylinder is at ignition top dead center (TDC).
- Adjust the valve lash. Refer to "1.17.2 Checking Valve Lash"
. See Figure
"Intake Valves"
for the intake valves. See Figure
"Exhaust Valve"
for the exhaust valve.

1. Rocker Arm
3. Intake Valves
2. Pushrod
4. Valve Bridge
Figure 1. Intake Valves

1. Rocker Arm
3. Exhaust Valve
2. Pushrod
4. Valve Spring
Figure 2. Exhaust Valve
- Check the valve lift on the intake valves. See Figure
"Checking Valve Lift, Intake Valves"
.

1. Dial Gage
3. Valve Bridge
2. Gage Holder
Figure 3. Checking Valve Lift, Intake Valves
- Mount a dial gauge and a gauge holder on the valve bridge. Mount the dial gauge with a preload of approximately 15 mm (0.60 inch) to provide adequate travel for checking the intake valve lift.
- Set the scale on the dial gauge to zero.
- Using the engine barring tool, turn the flywheel in a counterclockwise direction (as viewed from the flywheel end).
Note: The dial gauge will show the highest reading when the valve is completely open.
- When the valves are completely open, read off the value on the dial gauge. If the intake valve lift reaches at least 9.7 mm (0.38 in.) at its highest point, the intake valves are lifting properly. If the gauge reading fails to reach 9.7 mm (0.38 in.), be sure the valves were completely open. The dial gauge will show the highest reading when the valve is completely open. If the intake valve lift fails to reach 9.7 mm (0.38 in.) at its highest point, remove the camshaft and inspect it for wear.
- Check the lift on the exhaust valve. See Figure
"Checking Valve Lift, Exhaust Valve"
.

1. Dial Gauge
3. Valve Spring
2. Gauge Holder
Figure 4. Checking Valve Lift, Exhaust Valve
- Turn the flywheel in a counterclockwise direction until the valve is closed.
- Move the dial gauge and gauge holder to the spring retainer on the exhaust valve. Make sure the dial gauge still has a preload of approximately 15 mm (0.60 in.) to provide adequate travel for checking the exhaust valve lift.
- Set the scale on the dial gauge to zero.
- Using the engine barring tool, turn the flywheel in a counterclockwise direction (as viewed from the flywheel end).
Note: The dial gauge will show the highest reading when the valve is completely open.
- When the valve is completely open, read off the value on the dial gauge. If the exhaust valve lift reaches at least 10.7 mm (0.42 in.) at its highest point, the exhaust valve is lifting properly. Check the next cylinder. If the gauge reading fails to reach 10.7 mm (0.42 in.), be sure the valves were completely open. The dial gauge will show the highest reading when the valve is completely open. If the exhaust valve lift fails to reach 10.7 mm (0.42 in.) at its highest point, remove the camshaft and inspect the cam lobes for wear.
- Check the valve lift, both intake and exhaust, on the remaining cylinders, one at a time, until all have been checked.
- Remove the dial gauge and holder from the cylinder head.
- Remove the engine barring tool J-46392 from the flywheel housing and install the inspection cover. Tighten the inspection cover bolts 25 N·m (18 lb·ft).
- Install the cylinder head cover. Refer to "1.1.2 Cylinder Head Cover Installation"
Section 1.17.2
Checking Valve Lash
Select a method for adjusting the valve lash. There are two acceptable methods for adjusting valve lash:
- In order, according to the timing sequence used for fuel injection (see Method One—Adjust Each Cylinder in Firing Order, refer to "1.17.2.1 Method One—Adjust Each Cylinder in Firing Order" )
- By type of valve, depending on crankshaft position (see Method Two—Adjust All Valves Using Two Crankshaft Positions, refer to "1.17.2.2 Method Two—Adjust All Valves Using Two Crankshaft Positions" )
Note: Adjust the valve lash when the engine is cold. Wait at least 30 minutes after shutdown, even if the engine ran only a short time.
See Figure "Cylinder and Valve Layout" for the valve layout on both 4- and 6-cylinder engines.

Figure 5. Cylinder and Valve Layout
Section 1.17.2.1
Method One—Adjust Each Cylinder in Firing Order
Adjust the cylinders as follows:
Note: Clean the cylinder head cover before removing it.
- Remove the cylinder head cover. Refer to "1.1.1 Cylinder Head Cover Removal"
and see Figure
"Cylinder Head Cover "
.

1. Engine Trim Panel
5. Cylinder Head Cover
2. Charge-air Manifold Gasket
6. Cylinder Head Cover Gasket
3. Hexagon Socket-head bolt
7. Breather Hose
4. Sealing Washer
Figure 6. Cylinder Head Cover
- Remove the inspection cover on the flywheel housing.
- Fit the engine barring tool J-46392
, into the inspection hole on the flywheel housing. See Figure
"Inspection Hole in the Flywheel Housing"
.

Figure 7. Inspection Hole in the Flywheel Housing
- For each cylinder, use the barring tool to turn over the crankshaft until the piston is exactly at top dead center (TDC) in the compression stroke. The valves must be closed and it must be possible to turn the pushrods without effort.
Note: When the piston in cylinder #1 is at ignition TDC, the valves of cylinder #6 (cylinder #4 on the 4-cylinder engine) will overlap, meaning that both intake and exhaust valves are partially open, and show no measurable play when tested with a feeler gauge.
- Check each valve in the “Valve Overlap” row listed in Table
"Valve Adjustment- Method One"
and adjust it (if necessary).
Engine
Crankshaft Position
Cylinders
4-Cylinder
Ignition TDC
1
3
4
2
NA
NA
Valve Overlap
4
2
1
3
NA
NA
6-Cylinder
Ignition TDC
1
5
3
6
2
4
Valve Overlap
6
2
4
1
5
3
Table 6. Valve Adjustment- Method One - For each valve, measure the valve lash with a feeler gauge between the rocker arm and valve stem (exhaust valve) or valve bridge (intake valve). It should be possible to pull the feeler gauge through with no more than light resistance.
- If the value measured is within the range listed in Table
"Valve Lash Checking and Adjustment"
, check the next valve. If the value measured is outside the range, adjust the valve lash (refer to "1.17.3 Adjusting Valve Lash"
).
Valve Type
Check For:
mm (in.)
Adjust To:
mm (in.)
Intake
0.30 to 0.60 (0.012 to 0.024 )
0.40 (0.016)
Exhaust
0.50 to 0.80 (0.020 to 0.032)
0.60 (0.024)
Table 7. Valve Lash Checking and Adjustment
Section 1.17.2.2
Method Two—Adjust All Valves Using Two Crankshaft Positions
Adjust the cylinders as follows:
Note: Clean the cylinder head cover before removing it.
- Remove the cylinder head cover. Refer to "1.1.1 Cylinder Head Cover Removal"
and see Figure
"Cylinder Head Cover "
.

1. Engine Trim Panel
5. Cylinder Head Cover
2. Charge-air Manifold Gasket
6. Cylinder Head Cover Gasket
3. Hexagon Socket-head bolt
7. Breather Hose
4. Sealing Washer
Figure 8. Cylinder Head Cover
- Remove the inspection cover on the flywheel housing.
- Fit the engine barring tool J-46392
, into the inspection hole on the flywheel housing. See Figure
"Inspection Hole in the Flywheel Housing"
.

Figure 9. Inspection Hole in the Flywheel Housing
- Using the barring tool, turn the crankshaft until cylinder #1 is at the ignition TDC position (all valves are closed) and cylinder #6 (cylinder #4 on a 4-cylinder engine) is at the valve overlap position (all valves are open).
- Check the valves in the "Ignition TDC" row listed in Table
"Valve Adjustment - Method Two"
and adjust them (if necessary).
Engine
Cylinder #1 Crankshaft Position
Cylinders/Valve Types*
1
2
3
4
5
6
4-Cylinder
Ignition TDC
I/E
I
E
—
NA
NA
Valve Overlap
—
E
I
I/E
NA
NA
6-Cylinder
Ignition TDC
I/E
I
E
I
E
—
Valve Overlap
—
E
I
E
I
I/E
Table 9. Valve Adjustment - Method Two
* I = Intake Valve and E = Exhaust Valve - Using the barring tool, turn the crankshaft until cylinder #6 (cylinder #4 on a 4-cylinder engine) is at the ignition TDC position (all valves are closed) and cylinder #1 is at the valve overlap position (all valves are open).
- Using the same procedure, check the valves in the "Valve Overlap" row listed in Table "Valve Adjustment - Method Two" and adjust them (if necessary).
- For each valve, measure the valve lash with a feeler gauge between the rocker arm and valve stem (exhaust valve) or valve bridge (intake valve). It should be possible to pull the feeler gauge through with no more than light resistance.
- If the value measured is within the range listed in Table
"Valve Lash Checking and Adjustment"
, check the next valve. If the value measured is outside the range, adjust the valve lash (refer to "1.17.3 Adjusting Valve Lash"
).
Valve Type
Check For:
mm (in.)
Adjust To:
mm (in.)
Intake
0.30 to 0.60 (0.012 to 0.024 )
0.40 (0.016)
Exhaust
0.50 to 0.80 (0.020 to 0.032)
0.60 (0.024)
Table 10. Valve Lash Checking and Adjustment
Section 1.17.3
Adjusting Valve Lash
Adjust the valve lash as follows:
- If adjustment is needed, unscrew the locknut. See Figure
"Valve Lash Adjustment"
.

1. Adjusting Screw
2. Locknut
Figure 10. Valve Lash Adjustment
- Turn the adjusting screw until the valve lash is correct. Use the settings given in the "Adjust To" column listed in Table
"Valve Lash Checking and Adjustment"
.
Valve Type
Check For:
mm (in.)
Adjust To:
mm (in.)
Intake
0.30 to 0.60 (0.012 to 0.024 )
0.40 (0.016)
Exhaust
0.50 to 0.80 (0.020 to 0.032)
0.60 (0.024)
Table 12. Valve Lash Checking and AdjustmentNote: When adjusting the valves, adjust to the exact setting. Use the range only for checking adjustment.
- Tighten the locknut 25 N·m (18 lb·ft).
- Check the valve lash again. Adjust again if necessary.
- Install the cylinder head cover. Refer to "1.1.2 Cylinder Head Cover Installation" .
- Remove the barring tool from the inspection hole in the flywheel housing.
- Replace the end cover on the inspection hole and tighten the bolts 25 N·m (18 lb·ft).
Section 1.17.4
Measuring Valve Recess
Measure valve recess as follows:
- Remove the cylinder head from the engine. Refer to "1.2.1 Cylinder Head Removal" .
- Set up a dial gauge and dial gauge holder with a preload on the lower contact surface of the cylinder head.
Note: Before doing this procedure, make sure the valve head is making contact with the valve seat. Remove any carbon buildup on the valve face.
- Measure the valve recess from the cylinder head. See Figure
"Measuring Valve Recess"
.
Note: The valve recess is the difference in height between the firedeck surface of the cylinder head and the valve head, when it is touching the valve seat.

1. Dial Gauge
3. Valve Head
2. Dial Gauge Holder
4. Firedeck Surface of Cylinder Head
Figure 11. Measuring Valve Recess
- Set the scale of the dial gauge to zero (0).
- Move the dial gauge enough so that its probe is touching the valve head.
- If the gauge reads between 1.1 and 1.5 mm (0.04 and 0.06 in.), the valve recess is within specifications. Go to step 5 . If the gauge reads less than 1.1 mm (0.04 in.), or more than 1.5 mm (0.06 in.), the valve recess is not within specifications. Go to step 4 .
- If the measurement is not within specifications, inspect the valve head diameter for correct size and the valve seat inserts for height. Machine them if necessary. See Figure
"Critical Dimensions, Valve Stem and Head"
. Inspection criteria and machining procedures are listed in Table
"Valve Recess Specifications"
.
Description
Intake
mm (in.)
Exhaust
mm (in.)
Valve Head Diameter (C)
33.9–34.1 (1.33–1.34 )
37.9–38.1 (1.49–1.50)
Valve Seat Height (D)
2.7–3.1 (0.106–0.122 )
2.5–3.2 (0.098–0.126)
Valve Length (G)
125.65–126.95 (4.947–4.998)
152.5–152.9 (6.004–6.020)
Difference in Height Between the Two Intake Valves as Measured From the End of the Stem
0.20 (0.008)
N/A
Valve Recess from Cylinder Head
1.1–1.5 (0.04–0.06)
Table 14. Valve Recess Specifications - Move the dial gauge and dial gauge holder to the upper contact surface of the cylinder head. Set up the dial gauge and dial gauge holder with a preload on one of the two intake valve stem ends. See Figure
"Setting the Dial Gauge Preload"
.

1. Dial Gauge
3. Upper Contact Surface of Cylinder Head
2. Dial Gauge Holder
4. Valve Stem
Figure 12. Setting the Dial Gauge Preload
- Measure the difference in height between the two intake valve stems. See Figure
"Measuring the Intake Valve Stems"
.

1. Intake Valve Stem
Figure 13. Measuring the Intake Valve Stems
- Set the scale of the dial gauge to zero (0).
- Move the dial gauge over onto the end of the other valve stem.
- If the gauge reads 0.2 mm (0.008 in.) or less, the difference in height of the valve stems is within specifications. Go to step 8 . If the gauge reads more than 0.2 mm (0.008 in.), the difference in height of the valve stems is not within specifications. Go to step 7 .
- If the measurement is not within specifications, inspect the valve stems for length and valve seat inserts for height. Replace them if necessary. The inspection criteria is listed in Table "Valve Removal/Installation Specifications" .
- Install the cylinder head. Refer to "1.2.2 Cylinder Head Installation" .
Section 1.17.5
Valve Removal
Remove the valves as follows:
- Remove the cylinder head from the engine. Refer to "1.2.1 Cylinder Head Removal"
. See Figure
"Valve Removal"
.

1. Valve Collet
6. Intake Valve
2. Valve Spring Retainer
7. Exhaust Valve
3. Intake Valve Spring
8. Valve Spring Adaptor/Remover
4. Exhaust Valve Spring
9. Valve Stem Seal
5. Cylinder Head
Figure 14. Valve Removal
- Remove the nozzle holder. Refer to "2.3.1 Nozzle Holder Removal" .
- Using a dial gauge and holder, measure the valve recess. Refer to "1.17.4 Measuring Valve Recess"
.
Note: To measure valve recess, refer to "1.17.4 Measuring Valve Recess" for instructions. If the measurement is not within tolerance, replace the valve or valve seat. Machine the valve seat inserts; refer to "1.18.1.1 Valve Seat Bore Cleaning and Machining" for the procedures.
- Attach the valve spring adaptor and remover J-46399 to the cylinder head.
- Using the adaptor/remover, press down on the valve spring retainer. Remove the collets with a magnetic pin.
- Relieve the pressure on the adaptor/remover. Remove the valve spring retainer and the valve springs.
- Remove the valves. Identify removed location on each valve.
Note: Keep the valves in order for ease of installation.
- Remove the valve stem seals.
- Clean the valves thoroughly. Remove any traces of combustion residue.
- Check the valves to see if they can be re-used. Replace the valves if the stem ends are damaged, if the valve grooves are deformed, or if the chrome surface of the shaft is not entirely intact. Always replace burned valves.
- Check valve dimensions and concentricity. Replace all bent valves. The specifications are shown insee Figure
"Critical Dimensions, Valve Stem and Head"
and listed in Table
"Valve Removal/Installation Specifications"
.

Figure 15. Critical Dimensions, Valve Stem and Head
Description
Intake
mm (in.)
Exhaust
mm (in.)
Valve Stem Diameter
(see Figure , Ref. A)
7.935–7.950 (0.3124–0.3130)
7.925–7.940 (0.3120–0.3126)
Valve Seat Diameter, at Head Mating Surface (see Figure , Ref. B)
31.0 (1.22)
36.0 (1.42)
Valve Head Diameter
(see Figure , Ref. C)
33.9–34.1 (1.33–1.34)
37.9–38.1 (1.49–1.50)
Valve Seat Height—After Grinding (see Figure , Ref. D)
2.7–3.1 (0.106–0.122)
2.5–3.2 (0.098–0.126 )
Valve Seat Width, at Valve Head (see Figure , Ref. E)
3.3–4.3 (0.130–0.169)
3.5–4.2 (0.138–0.165)
Valve Seat Angle
(see Figure , Ref. F)
20 degrees
45 degrees
Valve Length
(see Figure , Ref. G)
125.7–126.1 (4.948–4.965)
152.5–152.9 (6.004–6.020)
Valve Stem Clearance in Valve Guide
0.050–0.087 (0.0020–0.0034)
0.060–0.097 (0.0024–0.0038 )
Maximum Concentricity of Valve Seat to Stem
0.03 (0.0012)
Valve Recess from Cylinder Head
1.1–1.5 (0.04–0.06)
Table 18. Valve Removal/Installation Specifications- Check dimensions A through G (see Figure "Critical Dimensions, Valve Stem and Head" ).
- Check the concentricity of the valve seat to the valve stem.
Note: Minor deviations in valve concentricity can be corrected by refacing the valves on a valve grinding machine. For instructions, refer to "1.17.5.1 Valve Refacing" .
- Inspect the valve guides for wear.
- Inspect the valve springs. If damaged, replace the springs.
Section 1.17.5.1
Valve Refacing
Reface the valves as follows:
- Clean the valves thoroughly. Remove any traces of combustion residue adhering to the valves.
Note: To avoid vibration, which could disrupt the grinding process, clamp the valve to the grinding machine as close as possible to the valve head.
- Clamp the valve to the grinding machine. See Figure
"Grinding the Valve Head"
.

1. Valve
2 Grinder
Figure 16. Grinding the Valve Head
- Adjust the grinding angle on the machine scale to the correct value (20 degrees for intake valves, 45 degrees for exhaust valves). The valve grinding specifications are listed in Table
"Valve Removal/Installation Specifications"
.
Description
Intake
mm (in.)
Exhaust
mm (in.)
Valve Stem Diameter
(see Figure , Ref. A)
7.935–7.950 (0.3124–0.3130)
7.925–7.940 (0.3120–0.3126)
Valve Seat Diameter, at Head Mating Surface (see Figure , Ref. B)
31.0 (1.22)
36.0 (1.42)
Valve Head Diameter
(see Figure , Ref. C)
33.9–34.1 (1.33–1.34)
37.9–38.1 (1.49–1.50)
Valve Seat Height—After Grinding
(see Figure , Ref. D)
2.7–3.1 (0.106–0.122)
2.5–3.2 (0.098–0.126 )
Valve Seat Width, at Valve Head
(see Figure , Ref. E)
3.3–4.3 (0.130–0.169)
3.5–4.2 (0.138–0.165)
Valve Seat Angle (see Figure , Ref. F)
20 degrees
45 degrees
Valve Length (see Figure , Ref. G)
125.7–126.1 (4.948–4.965)
152.5–152.9 (6.004–6.020)
Valve Stem Hardness
54-60 HRC
Maximum Concentricity of Valve Seat to Stem
0.03 (0.0012)
Table 20. Valve Removal/Installation Specifications
Figure 17. Critical Dimensions, Valve Stem and Head
- Using the feed mechanism on the grinder, advance the valve slowly towards the grinding wheel, as it turns, until the seating surface of the valve comes in contact with the wheel.
- Feed the valve gradually into the wheel until the entire circumference of the valve seat is smooth and free of chatter marks.
- After this operation, check that each of the following critical dimensions are no smaller (shorter) than specified. See Figure
"Critical Dimensions, Valve Stem and Head"
for the critical dimensions listed in Table
"Valve Removal/Installation Specifications"
. The critical dimensions are:
- Valve stem diameter (A)
- Valve head diameter (C)
- Valve seat width at the valve head (E)
- Valve length (G)
- Intake valve seat height, after grinding, (D) as it applies to valve seat diameter at the head mating surface (B)
- Exhaust valve seat height, after grinding, (D) as it applies to valve seat diameter at the head mating surface (B)
- Concentricity of valve seat to valve stem
- Release the valve from the clamp on the grinder.
Section 1.17.6
Valve Installation
Install the values as follows:
- Apply a light coating of engine oil on the valves. Then, install the valves.
- Install new valve stem seals
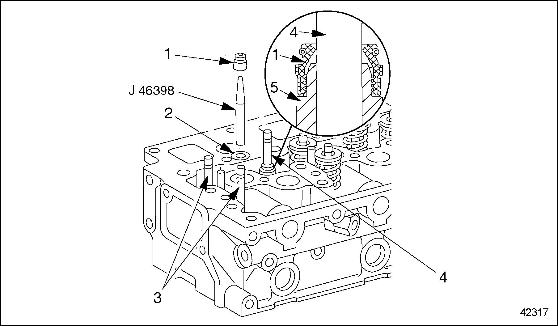
- Lightly lubricate the valve stem and valve stem seal installer with clean engine oil.
- Push the valve stem seal installer J-46398
over the valve stem until it makes contact with the valve guide. See Figure
"Valve Stem Seal Replacement"
.

1. Valve Stem Seal
4. Exhaust Valve
2. Supporting Washer
5. Valve Guide
3. Intake Valve
Figure 18. Valve Stem Seal Replacement
- Install the new valve stem seal. Remove the valve stem seal installer.
- Using the adaptor/remover, install the springs, spring retainers, and valve collets.
- Check the valve stem clearance in the valve guide as listed in Table "Valve Removal/Installation Specifications" .
- Remove the adaptor/remover from the cylinder head.
- Install the nozzle holder.
- Install the cylinder head. Refer to "1.2.2 Cylinder Head Installation" .
Section 1.17.7
Valve Stem Seal Replacement
Replace the valve stem seals as follows:
|
BODILY INJURY |
|
To avoid injury from a falling component, ensure a proper lifting device is used. Never stand beneath a suspended load. |
- Remove the cylinder head from the engine. Refer to "1.2.1 Cylinder Head Removal"
.
Note: Use care during removal to not damage the valve guides and valve stems.
- Remove the valve spring, valve collets, valve spring retainer, and valve stem seal. Do not remove the valve. See Figure
"Valve Stem Seal Replacement"
.

1. Valve Stem Seal
4. Exhaust Valve
2. Supporting Washer
5. Valve Guide
3. Intake Valve
Figure 19. Valve Stem Seal Replacement
- Lightly lubricate the valve stem and valve stem seal installer with clean engine oil.
- Push the valve stem seal installer J-46398 over the valve stem until it makes contact with the valve guide.
- Install the new valve stem seal. Remove the valve stem seal installer.
- Install the valve spring, valve spring retainer, and valve collets.
- Repeat the procedure for the other valves.
- Install the cylinder head. Refer to "1.2.2 Cylinder Head Installation" .
| MBE 900 Service Manual - 6SE414 |
| Generated on 10-13-2008 |