Section 1.2
Cylinder Head
The MBE 4000 engine has individual heads for each cylinder. To remove one head, follow these instructions, step by step. To remove all the heads, repeat each step in these instructions, as applicable, for all six cylinders.
Section 1.2.1
Cylinder Head Removal
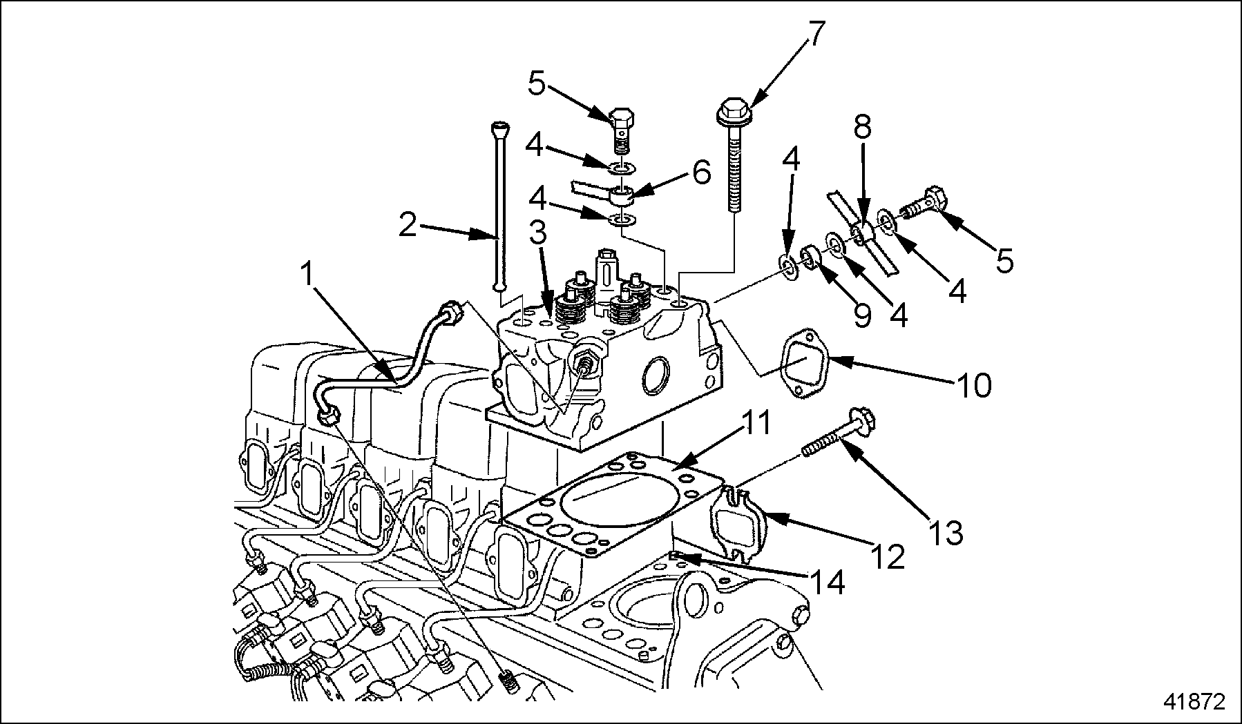
Remove the cylinder head as follows: See Figure "Exploded View of Cylinder Head" for an exploded view of a cylinder head.

|
1. High-Pressure Fuel Line |
6. Coolant Line |
11. Cylinder Head Gasket |
|
2. Pushrod |
7. Cylinder Head Bolt |
12. Exhaust Manifold |
|
3. Cylinder Head |
8. Constant-Throttle Line |
13. Exhaust Manifold Mounting Bolt |
|
4. Seal Ring |
9. Spacer |
14. Guide Pin |
|
5. Hollow Core (Banjo) Bolt |
10. Exhaust Port Gasket |
Figure 1. Exploded View of Cylinder Head
|
HOT COOLANT |
|
To avoid scalding from the expulsion of hot coolant, never remove the cooling system pressure cap while the engine is at operating temperature. Wear adequate protective clothing (face shield, rubber gloves, apron, and boots). Remove the cap slowly to relieve pressure. |
- Drain the coolant from the radiator.
Note: Clean the cylinder head cover before removing it.
- Remove the cylinder head cover. Refer to "1.1.1 Removal of Cylinder Head Cover" .
- Remove the rocker arm assembly. Mark the valve bridges and pushrods in order of removal. Refer to "1.22.1 Rocker Arm Removal" .
- Remove the engine trim covers to gain access to the high-pressure fuel lines.
- Remove the charge-air intake manifold.
NOTICE:
Do not move the thrust bolt during the removal of the high-pressure fuel line, because there is danger of causing a change in the position of the transfer-tube. If the position of the transfer-tube is changed, engine damage could result.
- Using two wrenches, loosen the high-pressure fuel line at the transfer-tube fitting
. See Figure
"High-Pressure Fuel Line Fittings"
.

1. Pump-End Fitting
3. Thrust Bolt
2. High-Pressure Injector Line
4. Transfer-Tube Fitting
Figure 2. High-Pressure Fuel Line Fittings
- Using a paint pen, mark the location of the thrust bolt.
- Place one wrench on the thrust bolt to secure the transfer-tube. Place the other wrench on the high-pressure line fitting.
- Turn the wrench on the high-pressure line fitting while holding the other wrench on the thrust bolt.
- Remove the high-pressure fuel line from the transfer-tube and unit pump.
- To prevent any dirt from entering, cover the openings in the unit pump and the transfer-tube.
- Remove the exhaust manifold bolts.
Note: If removing one or two cylinder heads, loosen the bolts on the rest of the exhaust manifold.
- Pull the exhaust manifold away from the engine, towards the frame rail. Remove all the gaskets.
Note: If removing all cylinder heads, remove the exhaust manifold from the engine.
- Remove the fuel return line from the cylinder head. Discard the seal rings. See Figure "Loosening the Head Bolts" .
- Disconnect the constant-throttle line from the cylinder head. Discard the seal rings. See Figure "Exploded View of Cylinder Head" .
- Disconnect the coolant line from the cylinder head. See Figure "Loosening the Head Bolts" .
- Using the head bolt impact socket (J-45389)
, loosen the cylinder head bolts. When all the bolts are loose, remove the bolts from the cylinder head. See Figure
"Loosening the Head Bolts"
.

1. Fuel Return Line Connection
2. Coolant Line connection
Figure 3. Loosening the Head Bolts
NOTICE:
Do not place the head mating surface down on a flat surface. This would damage the injector nozzles, which protrude slightly.
- Remove the cylinder head and set it on wooden blocks or on its side.
- Remove the head gasket.
- Thoroughly clean the cylinder head, both contact surfaces (head and block), and surfaces inside the cylinder of excess oil, grime, and paint chips.
- With a straightedge, check the cylinder head surface for warpage. Refer to "1.2.1.1 Cylinder Head Inspection and Machining"
. Listed in Table
"Head Warpage Limits"
are warpage limits.
Description
Limit: mm (in.)
Over a length of 150 mm (6 in.)
0.015 (0.0006)
Table 7. Head Warpage Limits - Check the cylinder liner protrusion from the cylinder block. Listed in Table
"Specifications for Measuring Cylinder Liner Protrusion"
are the specifications.Refer to "1.3.1.2 Measurement of Cylinder Liner Protrusion"
.
Description
Value: mm (in.)
Cylinder Liner Protrusion from block
0.230-0.330 mm (0.0090-0.0130 in.)
Difference between the four measuring points
Max.: 0.02 mm (0.0007 in.)
Table 8. Specifications for Measuring Cylinder Liner Protrusion - Inspect the cylinder head for cracks or signs of damage. Replace if necessary.
Section 1.2.1.1
Cylinder Head Inspection and Machining
Inspection
- Remove the cylinder head.
- Remove the nozzle holder.
- Remove the intake and exhaust valves. Refer to "1.20.5 Valve Removal" .
- Remove the constant-throttle valve. Refer to "1.6.1 Constant Throttle Valve Removal" .
- Inspect the contact surface (bottom face) of the cylinder head for warpage, both lengthwise and diagonally. See Figure
"Measuring Cylinder Head Warpage"
. If the gap is larger than 0.015 mm (0.0006 in.), machine the cylinder head.

1. Contact Surface
2. Straightedge
Figure 4. Measuring Cylinder Head Warpage
- Place a straightedge lengthwise across the cylinder head contact surface (bottom face).
- If there is a gap between the lower edge of the straightedge and the contact surface of the cylinder head that is large enough to let light through, insert a feeler gauge into the gap.
- Measure the amount of warpage with the feeler gauge and compare it to the value listed in Table
"Cylinder Head Specifications"
. If the gap is larger than 0.015 mm (0.0006 in.), machine the cylinder head.
What To Measure
How To Measure
Specification: mm (in.)
Maximum Permissible Warpage of Head Mating Surface
Lengthwise and Diagonally
0.015 (0.0006)
Maximum Permissible Parallelism Deviation of Head Mating Surface
At Each of the Four Corners
0.1 (0.004)
Overall Height of Cylinder Head
When New
113.85-114.15 (4.482-4.494)
After Machining
113.5 (4.46)
Table 10. Cylinder Head Specifications - Place the straightedge diagonally across the cylinder head. Repeat the procedure above.
- Check the cylinder head contact surface for parallelism, at each corner. See Figure
"Measuring Cylinder Head Parallelism"
. If the four measurements deviate by more than 0.1 mm (0.004 in.), machine the cylinder head.

Figure 5. Measuring Cylinder Head Parallelism
- Rest the cylinder head on a flat surface, with the contact surface exposed (bottom face up).
- Install a dial gauge so that the feeler touches the contact surface with some preload.
- Fasten the dial gauge and adjust the scale to "0" (zero).
- Check the reading on the dial gauge. If the reading is larger than 0.1 mm (0.004 in.), machine the cylinder head.
- Repeat this procedure at each spot marked by an arrow (each corner of the cylinder head).
Note: Make sure the head is level before going on with this check.
- Measure the overall height of the cylinder head. See Figure
"Measuring Cylinder Head Height"
. Replace the head if below the minimum height. If above the maximum height, machine the head down to the maximum height listed in Table
"Cylinder Head Specifications"
.

1. Cylinder Head
2. Exhaust Valve
3. Intake Valve
Figure 6. Measuring Cylinder Head Height
Machining
- Machine the contact surface of the cylinder head, to correct any problems found during inspection.
- If rejected for warpage, check warpage again until it is within specifications.
- If rejected for lack of parallelism, check parallelism again until it is within specifications.
- After machining, check again the overall height of the cylinder head.
- Install the constant-throttle valve. Refer to "1.6.2 Constant Throttle Valve Installation" .
- Install the intake and exhaust valves. Refer to "1.20.6 Valve Installation" .
- Install the nozzle holder.
- Install the cylinder head. Refer to "1.2.2 Cylinder Head Installation" .
Section 1.2.1.2
Cylinder Head Leak Testing
Perform the following steps to conduct a cylinder head leak test to see if the cylinder head is leaking coolant.
- Remove the exhaust brake compressed-air line from the exhaust brake cylinder.
- Remove the v-band clamp connecting the exhaust pipe to the brake valve housing.
- Remove the turbocharger.
- Remove the exhaust manifold.
-
Remove the cylinder head. Refer to "1.2.1 Cylinder Head Removal"
.

1. Test Plugs
5. Coolant line Hole
2. Safety Retaining Washer
6. Sealing Washer
3. Cup Plugs
7. Air Test Plug Adaptor
4. Firedeck
8. Protective Sleeve
Figure 7. Cylinder Head Lead Test Kit J-45982–8 Installation
- Remove the fuel injector nozzle from the cylinder head.
- Using the Head Leak Test Kit (J-45982–8 part of Head and Block Leak Test Kit J-45982) , install two plugs into the appropriate holes on firedeck of cylinder head. Tighten the nuts to expand the plugs. See Figure "Cylinder Head Lead Test Kit J-45982–8 Installation" .
- Install the air test plug adaptor into the coolant line hole on the top of the cylinder head. See Figure "Cylinder Head Lead Test Kit J-45982–8 Installation" .
- Place the safety retaining washer over the test plug adaptor. See Figure "Cylinder Head Lead Test Kit J-45982–8 Installation" .
-
With the shutoff valve on the regulator in the off position, set the regulator to zero pressure by pulling up on the adjusting knob and turning counter-clockwise.

EYE INJURY
To avoid injury from flying debris when using compressed air, wear adequate eye protection (face shield or safety goggles) and do not exceed 276 kPa (40 psi) air pressure.
- Connect a shop air supply to the pressure regulator (J-45982–7 part of kit J–45982) then turn the shutoff valve to the ON position.
- Adjust the system pressure by pulling up on the adjusting knob and turn clockwise until a pressure of reading on the gauge is 200 kPa (29 psi).
- Connect the Regulator and Gage (J-45982–7 part of kit J–45982) to the air test plug on the cylinder head. See Figure "Cylinder Head Lead Test Kit J-45982–8 Installation" .
- Check for leaks around the test plugs and fittings with a soapy water solution. Repair any leaks found.
-
With a soapy water solution check the cup plugs on the sides of the cylinder head and the injector nozzle protective sleeve area.
- If the cup plug(s) are leaking, replace the plug(s).
- If the injector protective sleeve is leaking, replace the protective sleeve O-ring.
- Close the air supply and watch the pressure gauge for 30 seconds. If the air pressure drops during this time the cylinder head has leakage from the cooling passages and is not suitable for reuse.
- Remove the test equipment from the cylinder head and repeat leak test for any additional cylinder heads.
- Install the fuel injector nozzle in the cylinder head.
- Install the cylinder head. Refer to "1.2.2 Cylinder Head Installation" .
- Install the exhaust manifold.
- Install the turbocharger.
- Install the compressed-air line on the exhaust brake cylinder.
- Clean the sealing surfaces on the exhaust pipe and brake valve housing.
- Slide the exhaust pipe and clamp over the end of the housing. Tighten the clamp.
Section 1.2.2
Cylinder Head Installation
Install the cylinder head as follows:
NOTICE: |
|
Be sure the carbon scraper ring is seated in the groove on the top part of the cylinder liner before installing a new cylinder head gasket and the cylinder head, component damage will result. See Figure "Carbon Scraper Ring" . |

|
1. Cylinder Liner |
3. Installed Piston |
|
2. Carbon Scraper Ring |
4. Carbon Scraper Ring located in groove in cylinder liner |
Figure 8. Carbon Scraper Ring
NOTICE: |
|
The cylinder head gasket on the engine has a thick rubber seal at the coolant inlet and outlet ports. The cylinder head has a machined 0.3 mm recess at the mating surface. Correct gasket with head configuration must be used. Failure to use the correct gasket could result in engine failure. |
- Install a new head gasket. Match up the holes in gasket with those in the cylinder block and place the head gasket over the guide pins in the block.
- Position the cylinder head on the head gasket. Make sure the head is seated onto the guide pins.
NOTICE:
Head and gasket must be seated properly, or engine damage could result.
- Using a dial caliper, measure the length of the cylinder head bolts from the end of the bolt to the bottom of the flange. See Figure
"Measuring Head Bolts"
. Listed in Table
"Cylinder Head Bolt Lengths"
are the acceptable lengths. Replace any bolts which do not meet these specifications.

1. Dial Caliper
2. End of Cylinder Head Bolt
3. Bottom of Flange
Figure 9. Measuring Head Bolts
Description
Length: mm (in.)
Shaft length when new
210.0 (8.27 )
Maximum shaft length
212.0 (8.35)
Table 19. Cylinder Head Bolt Lengths - Lubricate the cylinder head bolts with engine oil.
- Using the head bolt impact socket (J-45389)
, install the cylinder head bolts.
Note: For the correct tightening sequence, see Figure "Tightening Sequence, Cylinder Head Bolts" . Listed in Table "Tightening Stages, Cylinder Head Bolts" are the specific stages in the tightening sequence.

Figure 10. Tightening Sequence, Cylinder Head Bolts
Size
Max. Shaft Length
Tightening Stage
Torque Nm (lb ft) (Repair work in the field)
M15 x 2
212.0 mm (8.35 in.)
Stage 1
10 (7)
Stage 2
50 (37)
Stage 3
100 (74 )
Stage 4
200 (148)
Stage 5
additional 90°
Stage 6
additional 90°
Table 20. Tightening Stages, Cylinder Head BoltsNote: If the stretch bolt tightening torque is exceeded, remove it, check its maximum permissible shaft length (replace if necessary), and tighten it from Stage 1. Unconditionally replace all bolts whose shaft length exceeds the maximum permissible value.
- Replace the seal rings and connect the fuel injector spill line to the cylinder head. Torque banjo bolt to 15 N·m (11 lb·ft).
- Replace the seal rings and connect the fuel injector spill line to the cylinder head. Torque banjo bolt to 15 N·m (11 lb·ft).
- Connect the coolant line to the cylinder head. Torque banjo bolt to 35 N·m (26 lb·ft).
NOTICE:
Correct torque on the high-pressure fuel lines are critical. Incorrect torques could result in leaks or lack of power due to restricted fuel flow.
- Install the high-pressure fuel line and transfer tube. Refer to "2.3.2 Installation of High Pressure Fuel Injector Lines" .
- Install new exhaust manifold gaskets on all exhaust ports. Make sure the gaskets are all positioned correctly.
Note: Install new manifold gaskets on all exhaust ports, regardless of how many heads were removed.
- Install the exhaust manifold and tighten the bolts 50 N·m (37 lb·ft).
- Install the charge-air intake manifold.
- Lubricate the pushrods with a light coating of engine oil and install the pushrods, in order, as removed.
- Install the valve bridges, in order, as removed.
- Install the rocker arm assembly, in order, as removed. Tighten each rocker arm mounting bolt first 60 N·m (44 lb·ft); then an additional 90°.Refer to "1.22.4 Rocker Arm Installation" .
- Install the barring tool and adjust the valves. For valve lash adjustment procedures, refer to "1.20.3 Valve Lash Adjusting"
.
Note: Make sure the pushrods are correctly seated in the valve tappets.
- Remove the barring tool. Refer to "1.16.1 Engine Barring Tool Installation" .
- Install the inspection hole end cover on the flywheel housing. Tighten the fasteners 25 N·m (18 lb·ft).
- Check that the coolant drain plug is tight and not leaking.
- Fill the radiator with coolant.
- Install the cylinder head cover.
- Install the engine trim cover.
Note: Prime the fuel system.

ENGINE EXHAUST
To avoid injury from inhaling engine exhaust, always operate the engine in a well-ventilated area. Engine exhaust is toxic.
- Turn on the ignition switch and test the engine. Observe the oil pressure gauge to verify the correct oil pressure. The maximum oil pressure readings at idle speed are listed in Table
"Oil Pressure Readings"
. Pay attention to the coolant temperature gauge, warning lights, fluid leaks, and any other signs of a problem.
Description
Minimum Oil Pressure Reading: kPa (psi)
Engine at Idle Speed
50 (7)
Engine at Max. rpm
250 (36)
Table 23. Oil Pressure Readings - Stop the engine, check the coolant level, and top off if necessary.
Section 1.2.2.1
Engine Compression Testing
Perform the following steps to compression test the engine:
Removal
- Set the parking brake and chock the tires.

PERSONAL INJURY
To avoid injury before starting and running the engine, ensure the vehicle is parked on a level surface, parking brake is set, and the wheels are blocked.
- Remove the cylinder head cover. Refer to "1.1.1 Removal of Cylinder Head Cover" .
- Adjust the valve lash. Refer to "1.20.3 Valve Lash Adjusting"
.
Note: To do this procedure, coolant temperature must be between 70 - 95°C (155 - 205°F).

PERSONAL INJURY
To avoid injury when working near or on an operating engine, remove loose items of clothing and jewelry. Tie back or contain long hair that could be caught in any moving part causing injury.

ENGINE EXHAUST
To avoid injury from inhaling engine exhaust, always operate the engine in a well-ventilated area. Engine exhaust is toxic.
- Turn on the ignition keyswitch and run the engine until it reaches operating temperature.
- Shut down the engine.
- Remove the injector nozzle. See Figure
"Removing the Injector Nozzle"
.

1. O-ring (transfer-tube)
5. Seal Ring
9. Retaining Bolt
2. Transfer-Tube
6. O-ring (nozzle)
10. Constant Throttle Valve Cover
3. Thrust Bolt
7. Injector Nozzle
4. High-Pressure Fuel Line
8. Tensioning Arm
Figure 11. Removing the Injector Nozzle
- Insert the compression test adaptor from kit (J-46386) into the cylinder head. Use hold-down adaptor and bolt (J-45392) to secure test adapter. See Figure "Testing Engine Compression Pressure" .
- Attach the compression tester (J-6692–B)
to the test adaptor (J-46386)
. Snap the fitting at the end of the tester onto the top of the test adaptor. See Figure
"Testing Engine Compression Pressure"
.

1. Fitting
2. Bolt
3. Constant Throttle Valve Cover
Figure 12. Testing Engine Compression Pressure
Testing
- Remove the electrical connectors from all unit pumps. When this is done, the engine will not start.
- For each cylinder, use the starter to crank the engine at least 8 engine revolutions. The results will be recorded on the gauge of the tester.
- Compare measurements on the chart with the values listed in Table
"Compression Testing"
. If the pressure measured is below the minimum compression pressure or above the permissible difference, determine the cause and correct the problem. To remove the cylinder head, Refer to "1.2.1 Cylinder Head Removal"
.
Description
Pressure: kPa (psi)
Minimum Compression Pressure Valve
2800 (406)
Permissible Difference Between Individual Cylinders
400 (58)
Table 29. Compression Testing
Installation
- Connect all electrical connections to the unit pumps, as removed.
- Connect minidiag2 to the vehicle and clear all inactive faults.
Note: Follow the equipment manufacturer's operating instructions.
- Disconnect the compression tester gauge, (J-6692–B) from the test adaptor (J-46386) and hold down adapter (J-45392) .
- Remove the compression test adaptor.
- Install the injector nozzle.
- Install the cylinder head cover. Refer to "1.1.2 Installation of Cylinder Head Cover" .
- Repeat this procedure for each cylinder.
- Remove the chocks from the tires.
| MBE 4000 Service Manual - 6SE412 |
| Generated on 10-13-2008 |