Section 3.1
Overview of Lubricating System
The lubrication system consists of the following components:
- Oil pump
- Pressure regulator valve
- Pressure relief valve
- Oil filters
- Oil filter adaptor
- Oil cooler
- Oil level dipstick
- Oil pan
- Ventilating system
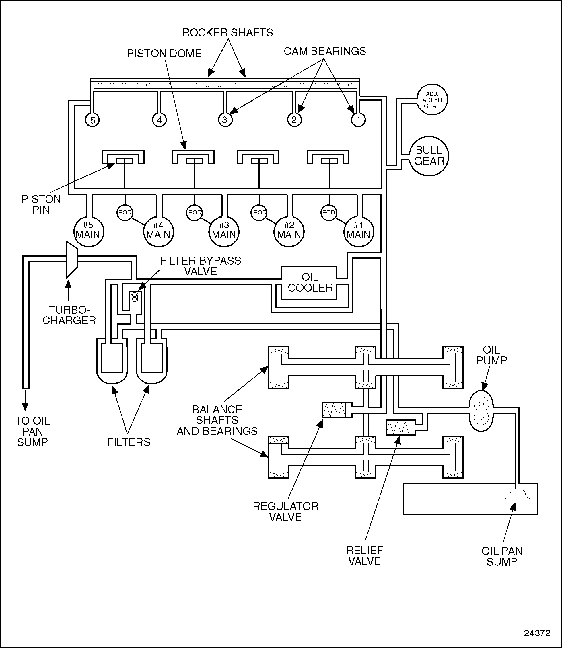
A schematic of the lubricating system is shown in the following illustration. See Figure "Schematic Diagram of Current Lubrication System" .

Figure 1. Schematic Diagram of Current Lubrication System
The lubricating oil is circulated by a gear-type pressure pump mounted to the front bulkhead of the balance support and has a gear driven front crankshaft through the balance shaft idle gear.
Clean engine oil is assured at all times by the use of 2 spin-on type, full flow oil filters incorporated in the engine lubrication system. These filters, which are installed in the lubrication system between the pump and the cooler, filter all of the oil before it enters the engine.
Oil leaving the pump is forced through full flow filters to the oil cooler and bypass passage and then into the oil gallery in the cylinder block from where it is distributed to the various engine bearings and moving parts. The oil then drains from the cylinder head and other engine parts return oil back to the oil pan.
A spring-loaded, integral plunger-type relief valve, attached to the balance support, bypasses excess oil from the discharge back to the oil pan when the pressure in the oil pump exceeds approximately 690 kPa (100 lb/in.2 ).
If the oil cooler should become clogged, the oil will flow from the pump through a drilled passage directly into the oil gallery.
Stabilized oil pressure is maintained within the engine at all speeds, regardless of the oil temperature, by means of a regulator valve also attached to the balance support. When the oil pressure at the valve exceeds 380 kPa (55 lb/in.2 ), the regulator valve opens and remains open until the pressure is less than the opening pressure.
Oil from the cooler is directed to a longitudinal main oil gallery on the cooler side of the cylinder block. See Figure "Schematic Diagram of Current Lubrication System" . This gallery distributes the pressurized oil to the main bearings and to a horizontal, transverse passage at each end of the cylinder block. From each of these two horizontal passages, oil flows into two vertical bores (one at each end of the cylinder block) to vertical passages in the cylinder head.
These passages in the cylinder head deliver oil from the cylinder block to the No. 1 and 5 lower camshaft bearing saddles. From there, the oil is directed upward (through the enlarged stud hole) to the No. 1 and 5 upper camshaft bearing caps. A drilled passage in each of these caps exits at the rocker arm shaft seat area, where it indexes with a hole in each rocker arm shaft. The rocker arm shafts have internal oil passages that deliver oil to the rocker arm bushings and intermediate upper camshaft bearings. Some of the oil supplied to the rocker arm bushing passes through the oil hole in the bushing to the injector arm.
The injector rocker is drilled to supply oil to the fuel injector follower and splash oil on the camshaft follower roller, adjuster screw, valve buttons, retainer clips intake and exhaust valve stems. The No. 3 camshaft cap is "Y" drilled, forming an oil path connection between the front and rear rocker arm shafts, to ensure complete lubrication. The oil then drains through passages in the cylinder head and block, and back to the oil pan.
Oil for lubricating the connecting rod bearings, piston pins and for cooling the piston dome is provided through the drilled crankshaft from the adjacent forward main bearings.
Two holes in the bull gear recess area of the cylinder block are drilled into the cylinder block front-cross oil gallery. These holes supply oil to the bull gear bearings, bull gear, and camshaft idler gear and hub. See Figure "Gear Train Oil Supply Holes" .
Excess oil from the bull gear lubricates the crankshaft timing gear, and oil pump drive gear, and balance shaft gear. A hole at the top, front of the block, is drilled into the block front-cross oil gallery, which mates with an oil passage in the gear case that directs oil to the adjustable idler gear assembly. See Figure "Gear Train Oil Supply Holes" . Excess oil from the adjustable idler gear lubricates the accessory drive and water pump drive gears. The bearings and shafts of these two drive assemblies are splash-fed oil through holes in their housings.

Figure 2. Gear Train Oil Supply Holes
A flexible, external oil line runs from a threaded hole at the top, front corner of the left side of the cylinder block, which is tapped into the main oil gallery. The flexible line runs to a fitting at the air compressor assembly.
Oil drains from the air compressor through a hole in the air compressor drive housing into the gear case.
A flexible, external oil line feeds oil from the oil filter adaptor housing pressure gallery, to the turbocharger bearings and shaft. This oil is returned through an external line to the block near the block-to-oil pan split line, and then back to the oil pan.
Series 50 engines use red dye to detect lube oil system leaks during engine testing at the factory. Customers receiving new engines may notice some residual dye remaining in the lube oil systems. This dye should be quickly dispersed after the first few hours of engine operation, and will have no detrimental effect on the engine.
| Series 50 Service Manual - 6SE50 |
| Generated on 10-13-2008 |