Section 77.1
Description of Flash Code 87, PID 73/FMI 4
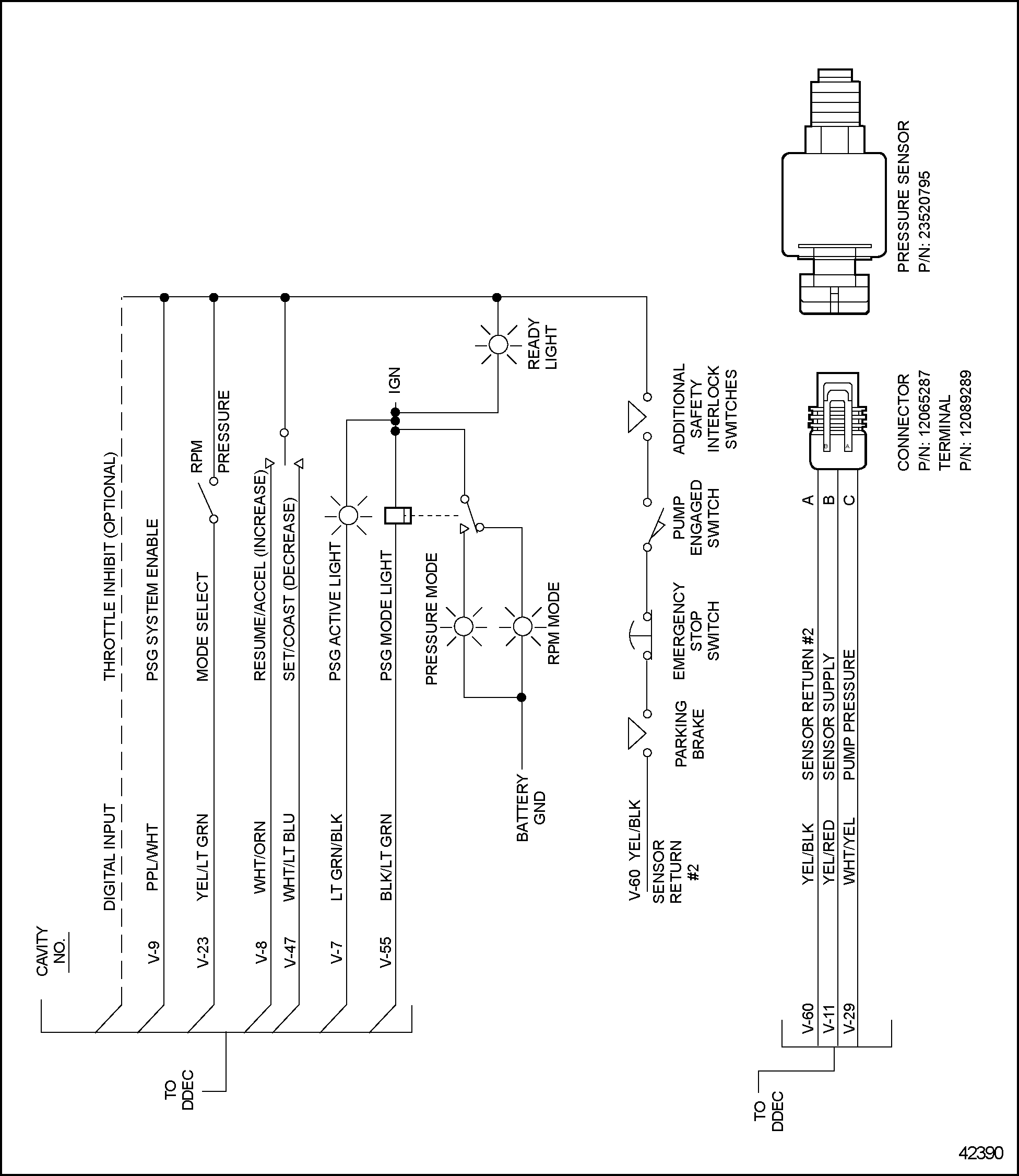
See Figure "Pressure Sensor Governor System — Vehicle Interface Harness Connector" for a schematic of the PSG system.

Figure 1. Pressure Sensor Governor System — Vehicle Interface Harness Connector
The Pressure Sensor Governor (PSG) is an optional DDEC feature designed primarily for the fire truck application. PSG is a unique governor system which electronically controls engine speeds based on one of two selected modes of operation.
The SAE J1587 equivalent code for Flash Code 87 is p 073/4.
Flash Code 87 p 73/4 indicates that the pump pressure sensor input voltage is low. The signal volts dropped below 5% (normally = <0.25 volts) of the sensor supply.
| Series 60 DDEC V Troubleshooting Guide - 6SE570 |
| Generated on 10-13-2008 |