Section 8.5
DDEC V Varible Pressure Output Device
The Variable Pressure Output Device (VPOD) regulates the Variable Nozzle Turbo (VNT). Input values from the ECM/ECU regulates the VPOD air pressure which allows the VNT vanes to change position during engine operation. The VPOD also interfaces with other engine system components.
Section 8.5.1
Removal of Variable Pressure Output Device
Removal steps are as follows:
|
PERSONAL INJURY |
|
To avoid injury from hot surfaces, wear protective gloves, or allow engine to cool before removing any component. |
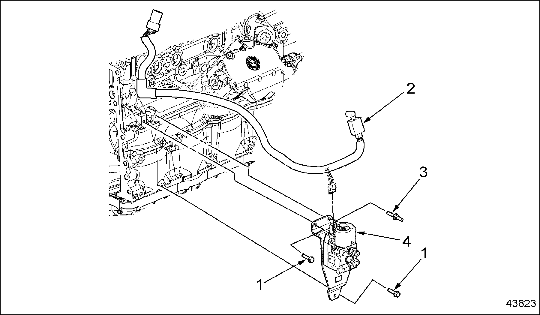
- Remove bolt (3) securing air line to oil cooler. See Figure "VPOD and Related Parts"
- Disconnect the air line fittings and remove the air line (4) from the VPOD assembly (1) and VNT actuator (5). See Figure
"VPOD and Related Parts"
.

1. VPOD Assembly
3. Bolt
5. VNT Actuator
2. Clip
4. Air Line
Figure 1. VPOD and Related Parts
- Unplug the sensor harness (2) from the VPOD assembly (4). See Figure
"VPOD and Related Parts"
.

1. Bolt
3. Stud
2. Sensor Harness
4. VPOD Assembly
Figure 2. VPOD and Related Parts
- Remove the bolts (1) and stud (3) securing the VPOD assembly (4) with bracket to the engine block. See Figure "VPOD and Related Parts" . Remove the VPOD assembly.
Section 8.5.1.1
Inspection and Testing of VPOD
Inspection steps are as follows:
- To test the VPOD, refer to the Exhaust Gas Recirculation System Basic Checks Section
found in the DDEC V Single ECU Troubleshooting Guide
, 6SE565.
- If the VPOD is defective, replace the component.
- If the VPOD is not defective, reuse the component for installation.
- Visually check the sensor harness for damage.
- If the harness is damaged, repair as necessary and refer to the Wiring and Wires and Conduit and Loom sections found in the DDEC V Single ECU Troubleshooting Guide , 6SE565.
- If the harness is not damaged, reuse the harness for installation.
Section 8.5.2
Installation of Variable Pressure Output Device
Installation steps are as follows:
- Align VPOD assembly (4) with bracket to the engine block and secure with stud (3) and bolts (1). See Figure
"VPOD and Related Parts"
. Torque the M10 bolt and M10 stud to 58-73 N·m (43-54 lb·ft) and the M8 bolt to 30-38 N·m (22-28 lb·ft).

1. Bolt
3. Stud
2. Sensor Harness
4. VPOD Assembly
Figure 3. VPOD and Related Parts
- Connect the sensor harness (2) to the VPOD assembly (4). See Figure "VPOD and Related Parts" .
- Connect air line (4) fittings to the VPOD assembly (1) and to the VNT actuator (5). See Figure "VPOD and Related Parts" . Torque the fittings to 12 N·m (106 lb·ft).
- Install bolt (3) and secure air line fitting and clip to oil cooler Torque bolt to 30–38 Nm (22–28 lb ft).See Figure
"VPOD and Related Parts"
.

1. VPOD Assembly
3. Bolt
2. Clip
4. Air Line
Figure 4. VPOD and Related Parts
| Series 60 Service Manual - 6SE483 |
| Generated on 10-13-2008 |
What should actuator harness voltage output be?