Section 6.1
Air Intake System Overview
The air intake system consists of the following components:
- Air cleaner or air silencer
- Gas mixer (Series 60 gas engine)
- Turbocharger
- Charge air cooler
- Throttle actuator (Series 60 gas engine)
- Intake manifold
- Air dryer
The turbocharger supplies air under pressure to the CAC and then to the intake manifold. The air enters the turbocharger after passing through the air cleaner or air silencer. Power to drive the turbocharger is extracted from energy in the engine exhaust gas. The expanding exhaust gases turn a single stage turbocharger wheel, which drives an impeller, thus pressurizing intake air. This charge air is then cooled by an air-to-air intake manifold before flowing into the cylinders for improved combustion efficiency. See Figure "Air Intake System Schematic (Series 60 Diesel Engine)" .

Figure 1. Air Intake System Schematic (Series 60 Diesel Engine)
On vehicle engines, charge air cooler (CAC) is mounted ahead of the engine coolant radiator. The pressurized intake charge is routed from the discharge side of the turbocharger, through the CAC to the intake manifold, which directs the air to ports in the cylinder head, through two intake valves per cylinder, and into the cylinder. At the beginning of the compression stroke, each cylinder is filled with clean air.
Repair and replacement procedures for the individual components of the air intake system are contained in this section.
Section 6.1.1
Air System for Series 60G Engine (Low Pressure Natural Gas)
The air system components on the Series 60G engine with low pressure fuel system are similar to the diesel engine air system except for the addition of a gas mixer and throttle, see Figure "Air Intake System Schematic Series 60G (Low Pressure)" . The turbocharger for this engine is similar to the diesel turbocharger. The features are described in more detail in the turbocharger section. Refer to "6.6 Turbocharger Series 60 Natural Gas (Automotive) Engine" .

Figure 2. Air Intake System Schematic Series 60G (Low Pressure)
Section 6.1.2
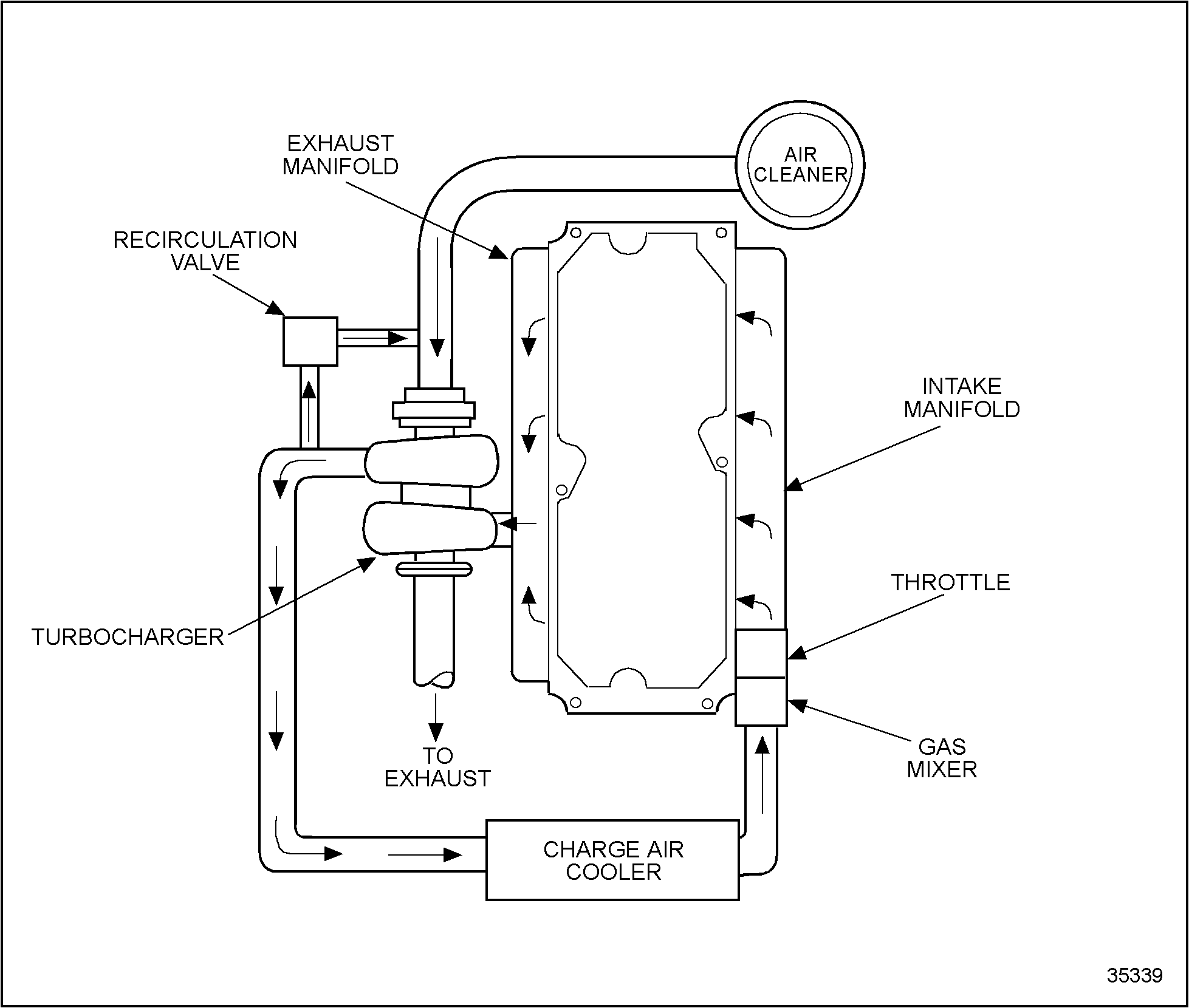
Air System for Series 60G (High Pressure)
The air system components on the Series 60G engine with high pressure fuel system are similar to the diesel engine air system except for the addition of a gas mixer and throttle, See Figure "Air Intake System Schematic 60G (High Pressure)" . The turbocharger for this engine is also different and features a turbine bypass (wastegate) and compressor recirculation valve. These features are described in more detail in the turbocharger section. Refer to "6.4 Closed Crankcase Breather for Series 60G Automotive Engines" .

Figure 3. Air Intake System Schematic 60G (High Pressure)
In this system, air leaving the charge air cooler enters the mixer assembly and is mixed with a precisely controlled flow of natural gas. This combustible air fuel mixture then passes through the throttle and into the intake manifold. The throttle controls the flow of air-fuel mixture to the intake manifold there by providing control over the power output of the engine.
| Series 60 Service Manual - 6SE483 |
| Generated on 10-13-2008 |