Section 2.1
Diesel Fuel System Overview
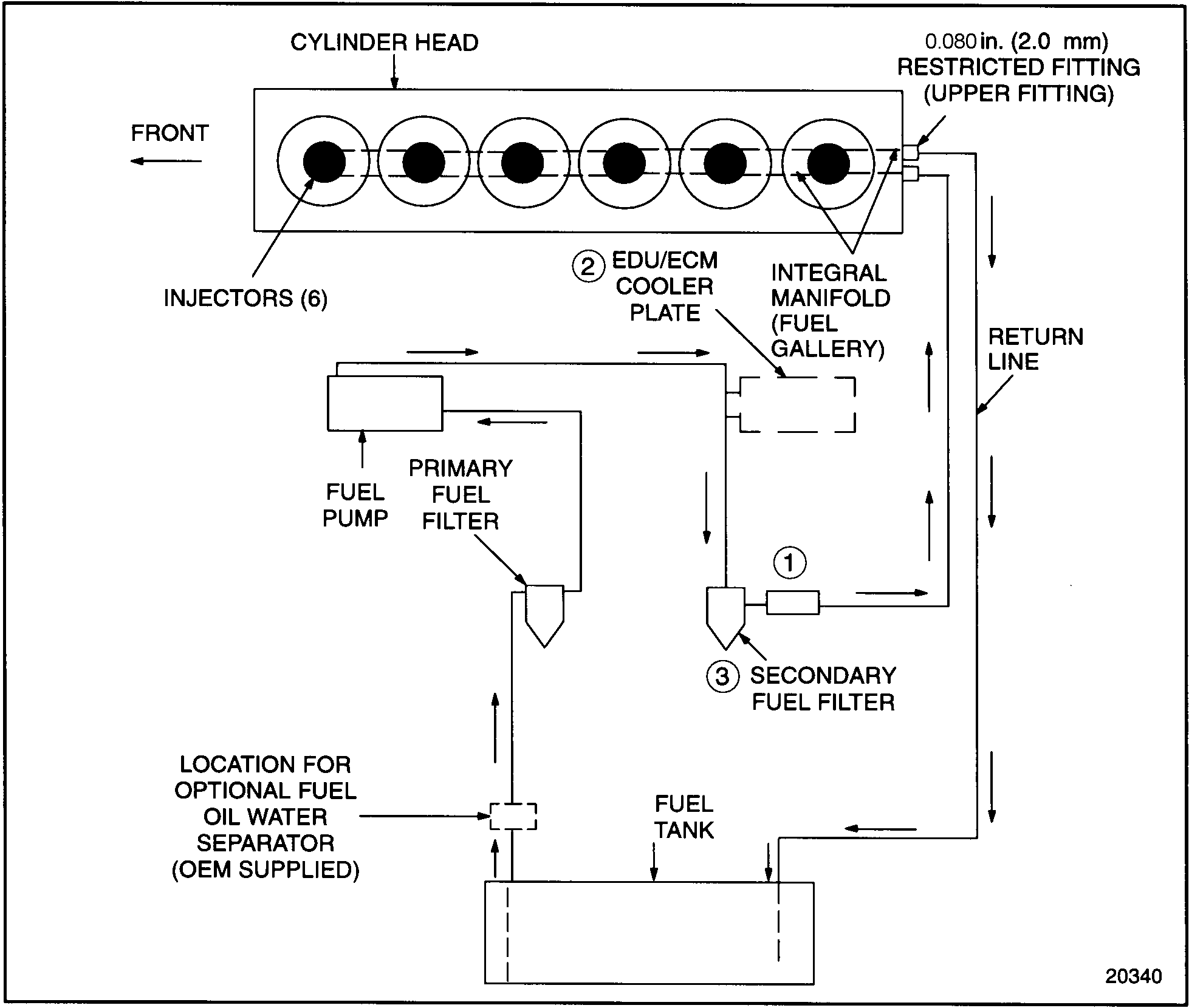
For a schematic diagram of a typical diesel fuel system, see Figure "Schematic Diagram of the Diesel Fuel System" .

|
1. Effective with 6R56762, a manually operated fuel shutoff valve replaced a check valve. A PRO-CHEK ® valve may be installed at this location to remove air. |
|
2. Effective with 6R8950, the ECM/EDU cooler unit was removed from all Series 60 engines used in on-highway applications. |
|
3. Effective with unit 6R13060, a fuel system check valve is installed in the secondary fuel filter head to prevent fuel drainback when filters are changed. |
Figure 1. Schematic Diagram of the Diesel Fuel System
The fuel system includes injectors, integral fuel manifold in the cylinder head, fuel pump, a cooling plate for the Electronic Control Module (ECM) or Electronic Distributor Unit (EDU), a primary fuel filter, a secondary fuel filter, and a fuel check valve if equipped. A 2.0 mm (0.080 in.) restrictive orifice is located in the fuel return fitting at the rear of the cylinder head to maintain the pressure in the fuel system. See Figure "Schematic Diagram of the Diesel Fuel System" for fuel system diagram.
|
FIRE |
|
To avoid injury from fire caused by heated diesel-fuel vapors:
|
Fuel is drawn from the fuel tank through an optional fuel water separator, into the primary fuel filter and enters the pump. After leaving the fuel pump under pressure, the fuel flows through the EDU/ECM cooler plates (if equipped) through the secondary fuel filter to the cylinder head. For units prior to 6R56762, the fuel flows through a check valve prior to entering the cylinder head.
An optional PRO-CHEK® check valve that removes air from the fuel supply line may be installed between the secondary filter and the cylinder head. The fuel flows to the injectors in the cylinder head through passages integral with the head. Surplus fuel exits at the rear of the head just above the inlet, through a restrictive return fitting which maintains fuel pressure in the system and returns back to the fuel tank.
Note: Effective with unit 6R8950, the cooler plate was removed from all Series 60 engines used in on-highway applications. Effective with unit 6R13060, a fuel system check valve is installed in the secondary fuel filter to prevent fuel drainback when filters are changed.
Note: Effective with 6R56762, a manually operated fuel shutoff valve has replaced the former valve.
| Series 60 Service Manual - 6SE483 |
| Generated on 10-13-2008 |