Section 2.11
DDEC III
DDEC III provides an indication of engine and vehicle malfunctions. The ECM continually monitors the DDEC III system. See Figure "DDEC III System Series 50 Diesel" and see Figure "DDEC III System Series 50 Natural Gas" .

Figure 1. DDEC III System Series 50 Diesel

Figure 2. DDEC III System Series 50 Natural Gas
Any faults that occur are stored as codes in the ECM's memory. These codes can be accessed in any of three ways:
- A DDR can be used to read the codes. See Figure "The DDR and Printer" .
- A personal computer (PC) connected to the ECM through a translator device which converts J 1708 to RS232 protocol can be used.
- The Check Engine Light (CEL) or the Stop Engine Light (SEL) is illuminated.
- The CEL, (panel mounted yellow indicator light) illuminated, diagnose condition as soon as convenient.
- The SEL, (panel mounted red indicator light) and CEL illuminated, a major fault occurred and immediate attention required to avoid engine damage.
- Automatic engine shutdown or rampdown is available as an option. A shutdown override switch is required to allow the vehicle to be moved to a safe location during automatic shutdown or rampdown.
DDEC III features programmable with a Diagnostic Data Reader (DDR) are:
- Password
- Droop
- Active hop braking
- Cruise control
- Engine brake
- Cruise control
- Vehicle speed limiting
- Vehicle speed sensor
- Variable Speed Governor cruise switch
- Idle timer shutdown
- Idle timer between air temperatures
- Vehicle ID number (IN)
- Idle adjustment
- Progressive shifting
- Engine protection
The hand-held DDR is used on engines equipped with DDEC III to display engine description, diagnostic data, fault codes, and to program the ECM calibration. A printout of the information displayed on the DDR, can be obtained by attaching a printer. The diagnostic data reader kit, J 38500-1DD , includes a reader, cable, carrying case, DDEC cartridge, manual, and a 6-pin adaptor. See Figure "The DDR and Printer" .
Note: S50G GFI controlled fuel systems that have been converted to DDEC III controlled close loop fuel system will not have an oil temperature sensor.

Figure 3. The DDR and Printer
The SAE Standard Communications of the DDEC III system are listed in Table "SAE Standard Communications for DDEC III" . The fan control inputs and outputs for DDEC III are listed in Table "Fan Controls for DDEC III" . The engine brake control features of DDEC III are listed in Table "Engine Brake Control with DDEC III" . DDEC III can identify faulty components and other engine-related problems by providing the technician with a diagnostic code. A comparison of DDEC II and DDEC III engine hardware is listed in Table "DDEC II vs DDEC III" . A comparison of DDEC II and DDEC III standard sensors is listed in Table "Standard Sensors" and a comparison of optional sensors is listed in Table "Optional Sensors" . Standard sensors for the S50G are listed in Table "Standard Sensors for Series 50G Engines" .

Figure 4. DDEC III and DDEC II Electronic Control Module (ECM)
|
SAE Standard Communication |
|
SAE J 1587 protocol on J 1708 hardware |
|
Diagnostics |
|
Electronic dashes |
|
Data Hub |
|
SAE J 1922 protocol on J 1708 hardware |
|
Traction control systems |
|
Transmission controls |
|
SAE J 1939 high speed data link |
|
Vehicle controls |
|
Inputs |
Outputs |
|
Coolant temperature |
Single on/off fan clutch |
|
Oil temperature |
Dual on/off fan clutch |
|
Air temperature |
2-speed single fan |
|
Air conditioning |
Modulated fan clutch |
|
Engine Brake Control |
|
Eliminates OEM engine brake module |
|
Compatible with cruise control |
|
Engine brake will go and off without disabling cruise control |
|
Engine fan braking |
|
Requires fan and engine brake control |
|
Fan turn on when engine brake is on high |
|
In cruise control, engine brake operates electronically |
|
MPH activating speeds are set with DDR |
|
Cruise control, engine brake operates manually |
|
Engine Hardware |
DDEC II |
DDEC III |
|
Electronic Foot Pedal Assembly |
3 Wires |
3/4 Wires |
|
Coolant Level Sensor |
Coolant Probe/Module |
Coolant Probe Only |
|
Diagnostic Request Stop Engine Override |
2 Separate Switches |
1 Combined Switch |
|
Communications |
Vehicle Interface Harness SAE J 1587/J 1922 |
Vehicle Interface Harness SAE J 1587 Communications Harness SAE J 1922, SAE J 1939 |
|
Power Harness |
6 Pin Connector |
5 Pin Square Connector |
|
Wiring |
16 gage wire, 4 Power, 2 Ground |
12 gage wire (Eliminates Splicing), 2 Power, 2 Ground |
|
DDEC II |
DDEC III |
|
Oil Temperature (Truck) |
Oil Temperature |
|
Oil Pressure |
Oil Pressure |
|
Coolant Level |
Coolant Level |
|
Turbo Boost |
Turbo Boost |
|
Throttle Position (OEM Supplied) |
Throttle Position |
|
Timing Reference |
Timing Reference |
|
Synchronous Reference |
Synchronous Reference |
|
Fuel Temperature |
Fuel Temperature, Air Temperature |
|
DDEC II |
DDEC III |
|
Fuel Pressure |
Fuel Pressure |
|
Pressure Governor (Firetruck) |
Pressure Governor (Firetruck) |
|
Low Pressure Fuel System |
High Pressure Fuel System |
|
Oil Temperature |
Exhaust Temperature |
|
Oil Pressure |
Oil Pressure |
|
Coolant Temperature |
Coolant Temperature |
|
Coolant Level |
Coolant Level |
|
Turbo Boost (Inlet Manifold Pressure) |
Turbo Boost (Inlet Manifold Pressure) |
|
Timing Reference |
Timing Reference |
|
Synchronous Reference |
Synchronous Reference |
|
Fuel Temperature |
Fuel Temperature |
|
Air Inlet Temperature |
Air Inlet Temperature |
|
Throttle Position |
Throttle Position |
|
Knock |
Knock |
|
|
Exhaust Gas Oxygen |
|
|
Barometric Pressure |
|
|
Fuel Pressure |
Section 2.11.1
Repair or Replacement of the DDEC III ECM (Horizontally Mounted)
The DDEC III ECM is a sealed, nonserviceable unit. Tag defective ECM for recore.
Section 2.11.2
Removal of the DDEC III ECM
Perform the following steps for ECM removal:
- Carefully disengage the lock tab on the power harness and injector harness connectors.
- Remove the two wire and three wire harness connections at the ECM.
- Remove the thru-bolts holding the ECM to the engine.
- Remove the ECM and cold plate from the engine, if so equipped.
- Remove the screws securing the cold plate to the ECM. Remove the cold plate from the ECM, if so equipped.
Section 2.11.3
Installation of the DDEC III ECM
Perform the following steps for ECM installation:
- Install the cold plate on the ECM, if so equipped. Tighten the screws securing the cold plate to the ECM. Use Loctite 262, or equivalent, on the cold plate-to-ECM screws. Torque to 9.5-12 N·m (84-106 lb· in.).
- Inspect the ECM isolators for damage and replace if required.
- Mount the ECM and cold plate to the engine.
- Secure the ECM to the engine with thru-bolts. Torque the ECM-to-engine bolts to 23-27 N·m (17-20 lb·ft). Torque the ECM connector hold-down screws to 2.4-3.0 N·m (22-28 lb· in.).
- Install the connectors in the ECM and torque the jack screws to 2.49–3.16 N·m (22–28 lb·in.).
- Engage the lock tab on the power harness and injector harness connectors.
- Turn the ignition to the "ON" position. Observe or read any diagnostic codes. If any code except code 25 is obtained, refer to the Detroit Diesel DDEC III/IV Single ECM Troubleshooting Manual
, 6SE497.

PERSONAL INJURY
Diesel engine exhaust and some of its constituents are known to the State of California to cause cancer, birth defects, and other reproductive harm.
- Always start and operate an engine in a well ventilated area.
- If operating an engine in an enclosed area, vent the exhaust to the outside.
- Do not modify or tamper with the exhaust system or emission control system.
- Start the engine, and check for fuel leaks.
Section 2.11.4
Repair or Replacement of the DDEC III ECM (Vertically Mounted)
A water shield may be installed on the vertically mounted ECM of DDEC III on-highway or coach engines. The water shield prevents the intrusion of high pressure water into the 30-pin and power plug connections of the ECM, which may cause corrosion of the terminals. Perform the following steps for removal of the ECM water shield:
|
EYE INJURY |
|
To avoid injury from flying debris when using compressed air, wear adequate eye protection (face shield or safety goggles) and do not exceed 276 kPa (40 psi) air pressure. |
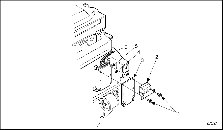
- Using a clean cloth, brush, or compressed air, remove any dirt or other contaminants from the ECM water shield. See Figure
"Electronic Control Module Related Parts with Cold Plate"
.

1. Bolts (2)
4. Cylinder Block
2. Water Shield
5. Electronic Control Module
3. Cold Plate
6. Engine Wiring Harness
Figure 5. Electronic Control Module Related Parts with Cold Plate
- Remove the top two screws holding the water shield to the ECM or ECM cold plate and pull the shield away from the cold plate or ECM. Replace the mounting screws. See Figure "Electronic Control Module Related Parts with Cold Plate" .
Section 2.11.4.1
Inspection of Electronic Control Module Water Shield
Inspect the water shield for cracks or other damage which could allow water to enter the ECM connections, resulting in possible corrosion of the terminals. Replace the water shield if cracked or damaged.
Section 2.11.5
Installation of Electronic Control Module Water Shield
Install the ECM water shield as follows:
|
EYE INJURY |
|
To avoid injury from flying debris when using compressed air, wear adequate eye protection (face shield or safety goggles) and do not exceed 276 kPa (40 psi) air pressure. |
- Using a clean cloth, brush, or compressed air, remove any dirt or other contaminants from the ECM or ECM cold plate.
- Carefully remove the 30-pin harness connector and the power plug harness connector from the ECM. Cover immediately to prevent contamination by dirt from the engine installation.
- Visually check ECM terminals. If clean and no dirt contamination of the dielectric grease used on the connectors is found, proceed to refer to Step 5 If terminals are dirty or if dirt is found in the dielectric grease used on the connectors, terminals must be cleaned. Use LPS Electro Contact Cleaner or LPS No-Flash Electro Contact Cleaner or equivalent and carefully clean the 30-pin connector terminals and the power plug terminals on the ECM.
- Using a 10 cc tube of dielectric grease, apply an amount sufficient to cover the bottom of the 30-pin and power plug connectors on the ECM with 1/4 inch of the dielectric grease. See Figure
"Electronic Control Module 30-Pin Location"
.

1. Electronic Control Module
2. Mounting Boss
Figure 6. Electronic Control Module 30-Pin Location
- Carefully install the 30-pin connector plug and the power plug onto the ECM. Torque the connector screw to 0.8-1.5 N·m (7-13 lb· in).
- If the ECM has a cold plate, install the water shield as follows:
- Remove the top two cold plate mounting screws and apply Loctite 252 sealant or equivalent to the threads.
- Install the water shield and screws. See Figure "Electronic Control Module Water Shield with Cold Plate" . Torque screws to 9.5-12 N·m (84-106 lb· in).

1. Bolts (2)
4. Cylinder Block
2. Water Shield
5. Electronic Control Module
3. Cold Plate
6. Engine Wiring Harness
Figure 7. Electronic Control Module Water Shield with Cold Plate
- If the ECM does not have a cold plate, install the water shield as follows:
- Remove the two top ECM mounting screws and apply Loctite 252 sealant or equivalent to the threads.
- Install the water shield and screws as shown. See Figure "Electronic Control Module Related Parts without Cold Plate" . Torque screws to 9.5-12 N ·m (84-106 lb· in).
- Always start and operate an engine in a well ventilated area.
- If operating an engine in an enclosed area, vent the exhaust to the outside.
- Do not modify or tamper with the exhaust system or emission control system.

1. Bolts (2)
4. Electronic Control Module
2. Water Shield
5. Engine Wiring Harness
3. Cylinder Block
Figure 8. Electronic Control Module Related Parts without Cold Plate

PERSONAL INJURY
Diesel engine exhaust and some of its constituents are known to the State of California to cause cancer, birth defects, and other reproductive harm.
- Start the engine and check for proper operation.
| Series 50 Service Manual - 6SE50 |
| Generated on 10-13-2008 |