Section 3.1
Fuel System Principles of Operation

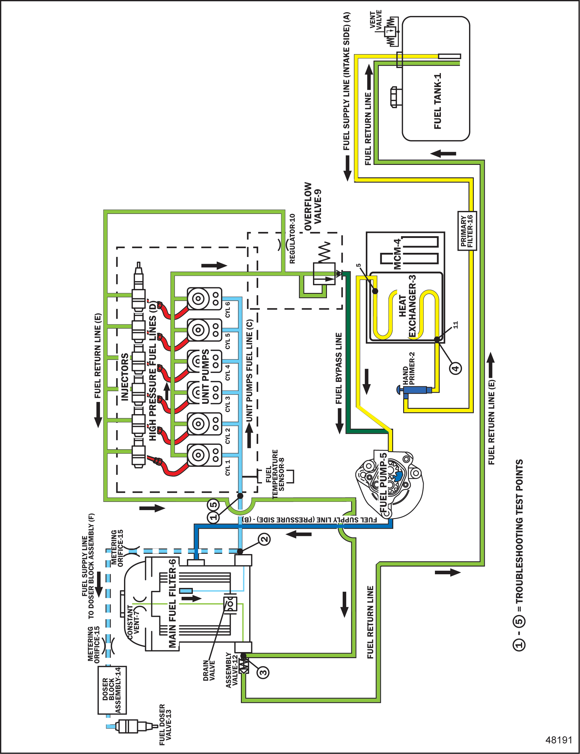
Figure 1. Fuel System Schematic
Fuel System - Principles of Operations
The fuel pump (5) draws fuel from the fuel tank (1) through a primary filter (16) (if so equipped) then on to the fuel heat exchanger (3) located on the Motor Control Module (MCM) (4). An assembly valve (11) on the fuel line going to the fuel heat exchanger prevents fuel from leaking back if the fuel supply line is removed. When the fuel reaches the inlet of the fuel pump (5), the pump acts on the entering fuel and creates system fuel pressure. Inside the fuel pump is a pressure limiting valve and a bypass check valve. The pressure limiting valve cracking pressure is between 8.5-9.2 bar (123.3-133.4 psi). The bypass check valve cracking pressure is between 0.10-0.20 bar (1.5-2.9 psi). The fuel then flows through the fuel supply line (B) to the main fuel filter (6). The fuel filter constant vent (7) in the main fuel filter vents trapped air in the fuel filter housing. The fuel flows from the main fuel filter (6), to the doser block assembly, and also to the block, past the fuel temperature sensor (8), and to the unit pumps (cylinders 1-6).
The overflow valve (9) with internal regulator (10) controls fuel supply pressure to the unit pumps and dampens any pressure spikes in the unit pump fuel line (C), which is part of the low pressure circuit. The MCM (4) uses the signal from the fuel temperature sensor (8) to determine the required fuel volume. When the respective unit pump (cylinder 1-6) is controlled, the highly pressurized fuel flows from the unit pump , through the high pressure fuel lines (D) to the appropriate fuel injector (cylinders 1-6). Any spill circulates from the injectors, back to the filter, and returns back to the fuel tank. An assembly valve (12) in the return line prevents fuel from leaking when the fuel return line is removed.
A priming pump (2) is supplied to help prime the system after servicing.
The fuel supply pressure for the doser valve (13) is achieved with the pressure regulator (14), which is part of the doser block assembly. Variations in pressure due to load or engine speed are compensated by two metering orifices (15) acting with the pressure regulator (14).
| EPA07 MBE 4000 DDEC VI Troubleshooting Guide - 6SE568 |
| Generated on 10-13-2008 |