Section 93.2
Pressure Governor System - Vehicle Interface Harness Connector
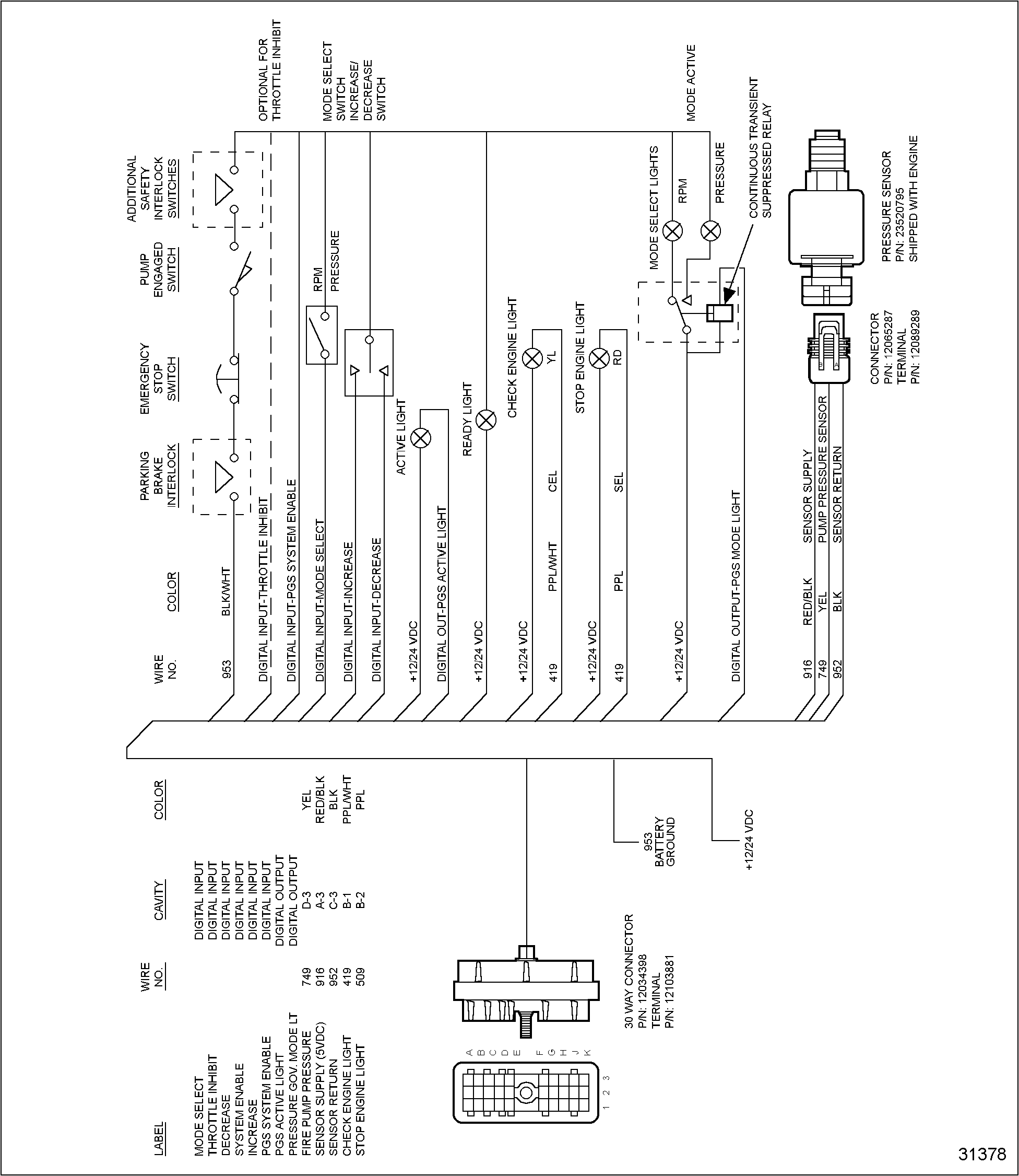
The following wire schematics support the Pressure Governor System (PGS) vehicle interface harness connector; see Figure "Pressure Governor System Vehicle Interface Harness Connector" .

Figure 1. Pressure Governor System Vehicle Interface Harness Connector
| DDEC III/IV Single ECM Troubleshooting Guide - 6SE497 |
| Generated on 10-13-2008 |