Section 17.1
SPN 1077/FMI 5
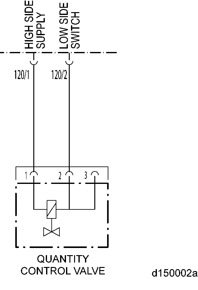
SPN 1077/FMI 5 indicates a quantity control valve current too low.

Check as follows:
- Disconnect the quantity control valve.
- Measure the resistance across pins 1 and 2 of the quantity control valve.
- If the resistance is greater than 2 Ω, replace quantity control valve. Refer to "17.1.1 Verify Repairs" .
- If the resistance is less than 2 Ω, go to the next step.
- Disconnect the MCM 120-pin connector.
- Measure the resistance between pin 1 of the MCM 120-pin connector and pin 1 of the quantity control valve.
- If the resistance is less than 5 Ω, go to next step.
- If the resistance is greater than 5 Ω, repair the open circuit between pin 1 of the 120 MCM connector and pin 1 of the quantity control valve. Refer to "17.1.1 Verify Repairs" .
- Measure the resistance between pin 2 of the MCM 120-pin connector and pin 2 of the quantity control valve.
- If the resistance is less than 5 Ω, call the Detroit Diesel Customer Support Center at 313–592–5800 for authorization to replace the MCM.
- If the resistance is greater than 5 Ω, repair the open circuit between pin 2 of the MCM 120-pin connector and pin 2 of the quantity control valve. Refer to "17.1.1 Verify Repairs" .
Section 17.1.1
Verify Repairs
Verify repairs as follows:
- Turn ignition OFF.
- Reconnect any electrical connections that were disconnected to perform the diagnosis.
- Clear codes with DDDL 7.X.

ENGINE EXHAUST
To avoid injury from inhaling engine exhaust, always operate the engine in a well-ventilated area. Engine exhaust is toxic.
- Start and bring engine up to operating temperature (over 60°C/140°F).
- Verify operation is satisfactory and no warning lamps illuminate. If warning lamps illuminate, troubleshoot the codes. If assistance is required, call the Detroit Diesel Customer Support Center at 313–592–5800.
| DD15 Fuel System Technician's Guide - DDC-SVC-MAN-0037 |
| Generated on 10-13-2008 |