Section 73.2
SPN 723/FMI 4
A typical diagnosis is a short to ground.

Check as follows:
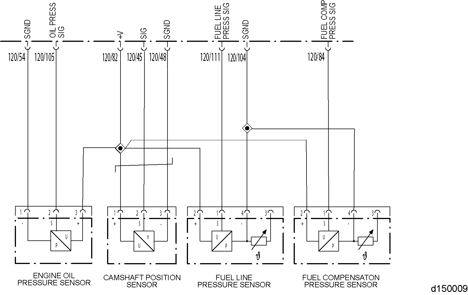
- Disconnect the CMP Sensor.
- Measure the resistance between pin 1 of the CMP Sensor and ground.
- If the resistance is greater than 5 Ω, go to the next step.
- If the resistance is less than 5 Ω, replace the CMP Sensor.Refer to "73.2.1 Verify Repairs" .
- Measure the resistance between pin 2 of the CMP Sensor and ground.
- If the resistance is greater than 5 Ω, go to the next step.
- If the resistance is less than 5 Ω, replace the CMP Sensor.Refer to "73.2.1 Verify Repairs" .
- Disconnect 120-pin MCM connector.
- Measure the resistance across pins 1 and 2 of the CMP harness connector.
- If the resistance is greater than 5 Ω, go to the next step.
- If the resistance is less than 5 Ω, repair the short between pins 1 and 2 of the CMP harness connector and pins 44 and 45 of the 120–pin MCM connector. Refer to "73.2.1 Verify Repairs" .
- Measure the resistance between pin 1 of the CMP harness connector and ground.
- If the resistance is greater than 5 Ω, go to the next step.
- If the resistance is less than 5 Ω, repair the short to ground between pin 1 of the CMP harness connector and pin 44 of the 120–pin MCM connector. Refer to "73.2.1 Verify Repairs" .
- Measure the resistance between pin 2 of the CMP harness connector and pin 45 of the 120–pin MCM connector.
- If the resistance is greater than 5 Ω, review the previous steps . If the results are the same, contact Detroit Diesel Customer Support Center (313–592–5800).
- If the resistance is less than 5 Ω, repair the short to ground between pin 2 of the CMP harness connector and pin 45 of the 120–pin MCM connector. Refer to "73.2.1 Verify Repairs" .
Section 73.2.1
Verify Repairs
Verify repairs as follows:
- Turn ignition OFF.
- Reconnect any electrical connections that were disconnected to perform the diagnosis.
- Clear codes with DDDL 7.0 or latest version.

ENGINE EXHAUST
To avoid injury from inhaling engine exhaust, always operate the engine in a well-ventilated area. Engine exhaust is toxic.
- Start and bring engine up to operating temperature (over 140°F/60°C).
- Verify operation is satisfactory and no warning lamps illuminate. If warning lamps illuminate, troubleshoot the codes. If assistance is required, call the Detroit Diesel Customer Support Center at 313–592–5800.
| EPA07 DD15 Troubleshooting Guide - DDC-SVC-MAN-0029 |
| Generated on 10-13-2008 |